Hólasandslína 3
Framkvæmdin er fólgin í byggingu nýrrar 220 kV háspennulínu í meginflutningskerfinu á Norðurlandi. Línan, sem mun hljóta nafnið Hólasandslína 3, verður að hluta loftlína og að hluta lögð sem jarðstrengur og mun hún liggja á milli Akureyrar og Hólasands. Einnig inniheldur framkvæmdin byggingu á nýju 220 kV tengivirki á Hólasandi, ásamt byggingu á nýju 220 kV tengivirki á Akureyri sem mun tengjast núverandi 132 kV virki. Tengivirkið á Rangárvöllum mun innihalda 220/132 kV aflspenni og spólu til útjöfnunar á launafli frá jarðstrengshluta línunnar.
Markmiðið með byggingu Hólasandslínu 3 er að bæta flutningsgetu til þess að geta tekist á við aukna flutningsþörf í kerfinu, en línan er ein af þremur lykilfjárfestingum á Norður- og Austurlandi, sem lýst er í langtímaáætlun. Meginmarkið þeirra er að bæta flutningsgetu meginflutningskerfisins á byggðalínusvæðinu og auka þannig afhendingargetu allra afhendingarstaða á landsbyggðinni, en Hólasandslína 3 er mikilvægur hlekkur í styrkingu tengsla sterkari hluta kerfisins á suðvesturhorninu við veikari hluta þess á Norðausturlandi (sjá nánar í kafla 5.1.1 í langtímaáætlun). Gert er ráð fyrir talsverðri aukningu í notkun á raforku á landsvísu yfir líftíma línunnar. Forsendur aukningar á raforkunotkun byggja á Raforkuspá ásamt Sviðsmyndum um raforkunotkun 2017-2050, gefin út af Raforkuhópi orkuspárnefndar. Fjallað er nánar um forsendur framkvæmda í meginflutningskerfinu í langtímaáætlun kerfisáætlunar í kafla 1.5 og kafla 2. Einnig er það markmið með framkvæmdinni að tryggja stöðugleika raforkukerfisins á Norður- og Austurlandi gegn truflunum í orkuvinnslunni og að bæta úr brýnni þörf fyrir aukna flutningsgetu inn á Eyjafjarðarsvæðið.
Í dag er Akureyri tengd við Kröflu með 132 kV háspennulínu, Kröflulínu 1, sem er hluti af byggðalínuhringnum. Flutningstakmarkanir og óstöðugleiki í kerfisrekstrinum hefur verið mikið vandamál í rekstri byggðalínunnar og eru skerðingar á orkuafhendingu farnar að vera tíðari með auknu álagi á kerfið. Nú er svo komið að flutningstakmarkanir á byggðalínunni eru farnar að hamla verulega atvinnuuppbyggingu á Eyjafjarðarsvæðinu og hafa þannig áhrif á eðlilega þróun á svæðinu.
Þegar línan er komin í rekstur mun afhendingaröryggi á Eyjafjarðarsvæðinu aukast til muna þar sem við bætist ný og öflug tenging inn á svæðið sem einnig mun gefa möguleika á aukinni notkun innlendra endurnýjanlegra orkugjafa á svæðinu.
Til að uppfylla markmið framkvæmdarinnar er miðað við að hitaflutningsmörk línunnar verði að lágmarki 550 MVA og línan rekin á 220 kV spennu. Markmiðin eru sett með framtíðarþörf fyrir flutningsgetu að leiðarljósi, en reiknað er með 50 ára líftíma framkvæmdarinnar og horft til þess tímaramma þegar þörf á flutningsgetu er metin.
Framkvæmdin hefur jákvæð áhrif á afhendingu raforku á skilgreindu forgangssvæði samkvæmt þingsályktun nr. 26/148 um stefnu stjórnvalda um uppbyggingu flutningskerfis raforku.
Tilurð og meginmarkmið verkefnis
Uppruni verkefnisins er langtímaáætlun kerfisáætlunar. Hólasandslína 3 er ein af þeim sjö línum sem eru sameiginlegar öllum greindum valkostum í langtímaáætlun um þróun meginflutningskerfisins. Það er niðurstaða Landsnets, m.t.t. valkostagreiningar í langtímaáætlun og umhverfismats áætlunarinnar að ráðast fyrst í framkvæmdir á þeim sjö línuleiðum sem eru sameiginlegar í öllum valkostum og er Hólasandslína 3 önnur í röðinni af línum á Norður- og Austurlandi, á eftir Kröflulínu 3, en áætlað er að framkvæmdir við hana verði langt komnar þegar framkvæmdir við Hólasandslínu 3 hefjast.
Upprunaleg afgreiðsla verkefnis og breyting á umfangi
Verkefnið var upprunalega afgreitt í janúar 2019 með kerfisáætlun 2018-2027. Samkvæmt verkefnalýsingu verður sá hluti línunnar sem liggur um Eyjafjörð lagður sem jarðstrengur á ca. 10 km kafla. Til þess að ná sömu flutningsgetu og í loftlínuhlutanum (550 MVA) er nauðsynlegt að vera með tvö sett af jarðstrengjum, en miðað við spár um þróun álags verður flutningsgeta annars settsins nægileg í einhvern tíma. Verkefnalýsing í kerfisáætlun miðast við að fá leyfi fyrir báðum strengsettum en byrja framkvæmdina á lagningu annars strengsettsins. Sá kostnaður sem gefin hefur verið upp fram að þessu miðast við að annað strengsettið sé lagt í fyrstu atrennu, en flutningsgeta eins strengsettsins er um 275 MVA.
Kröflulína 1 liggur yfir Eyjafjörðinn, rúmum kílómetra sunnan flugbrautarenda. Í umsagnarferlum síðustu tveggja kerfisáætlana hafa verið gerðar athugasemdir um legu Kröflulínu 1 í grennd við Akureyrarflugvöll og óskað eftir því að hún verði lögð í jörðu á þeim kafla, í þeim tilgangi að tryggja flugöryggi við Akureyrar-flugvöll. Áhættumat Isavia hefur leitt í ljós að aðgerða sé þörf vegna Kröflulínu 1. Í erindi frá Isavia til Landsnets hefur komið fram sú ósk að hafinn verði undirbúningur að því framtíðarfyrikomulagi að línan verði lögð í jörðu til að bæta þjónustustig flugvallarins og fækka hindrunum í nágrenni hans til framtíðar. Til þess að koma til móts við þessar óskir, hefur Landsnet skoðað þann möguleika að leggja bæði strengsett Hólasandslínu 3, en reka annað á 132 kV og nota það fyrir Kröflulínu 1. Kröflulína 1 yrði þá rifin frá Rangárvöllum austur yfir Eyjafjörðinn.
Kostnaðarmat vegna lagningar seinna strengsettsins hljóðar upp á 1.390 mkr. Áætlaður heildarkostnaður verkefnisins úr framkvæmdaráætlun kerfisáætlunar 2019-2028 er um 7,8 makr. Eftir breytinguna er því heildarkostnaðurinn kominn upp í 9.190 mkr. Gert er ráð fyrir að framreiknaður sparnaður vegna samlegðaráhrifa þess að leggja báða strengina samtímis sé um 140 mkr.
Rökstuðningur verkefnis
Sá valkostur sem best uppfyllir markmið raforkulaga og stefnu stjórnvalda um uppbyggingu flutningskerfisins og stefnu um lagningu raflína hefur verið valinn sem framlagður valkostur í framkvæmdaáætlun.
TAFLA 3-44 : HS3 – Rökstuðningur verkefnis
Tafla 3-44 sýnir niðurstöðu mats á því hvernig verkefnið uppfyllir markmið raforkulaga, samkvæmt mælikvarða sem lýst er að ofan, og mat á því hvort verkefnið sé í samræmi við stefnur stjórnvalda. Einnig inniheldur hún fjárhagslegar upplýsingar um verkefnið. Matinu er lýst nánar í töflum 3-49, 3-50, og 3-52.
Lýsing á framkvæmd
Verkefnið felst í lagningu 220 kV raflínu á milli Rangárvalla á Akureyri og nýs tengivirkis á Hólasandi. Raflínan verður að mestu leyti byggð sem loftlína, en verður einnig lögð sem jarðstrengur á kafla. Í verkefninu felst einnig bygging nýrra 220 kV tengivirkja á Hólasandi og á Rangárvöllum á Akureyri ásamt uppsetningu á útjöfnunarspólu á Rangárvöllum.
Hér á eftir fer lýsing á þeim búnaði sem felst í verkefninu.
Raflína
Ætlunin er að byggja 220 kV raflínu frá Rangárvöllum á Akureyri og að nýju tengivirki á Hólasandi. Heildarlengd línunnar verður 70,5 km og verður hún að stærstum hluta lögð sem loftlína, en sem jarðstrengur á 9,8 km kafla í Eyjafirði.
TAFLA 3-45 : HS3 – Lýsing framkvæmdar, raflína
Mastragerð
Endanleg ákvörðun um mastragerð verður tekin í umhverfismati framkvæmdarinnar. Í þessari umfjöllun er miðað við stöguð stálröramöstur, svokölluð M-möstur og miðar verkefnalýsing framkvæmdarinnar við slík möstur. Meðalhæð mastra er um 23 metrar með 20 metra langri ofanáliggjandi brú, sem upphengibúnaður og leiðarar línunnar hanga í.
MYND 3-23 : Stagað stálröramastur af M-gerð
Mynd 3-23 sýnir teikningu af þeirri mastragerð sem lýsingin miðast við, stagað stálröramastur af M-gerð. Möstrin standa á tveimur fótum sem eru settir á steyptar undirstöður. Hornmöstur verða að öllu jöfnu þrjár stagaðar stálsúlur, sem standa á steyptum undirstöðum eða bergboltum. Þar sem takmarkað pláss er fyrir stög verða hins vegar notaðir frístandandi fjórfótungar með undirstöðu undir hverju horni.
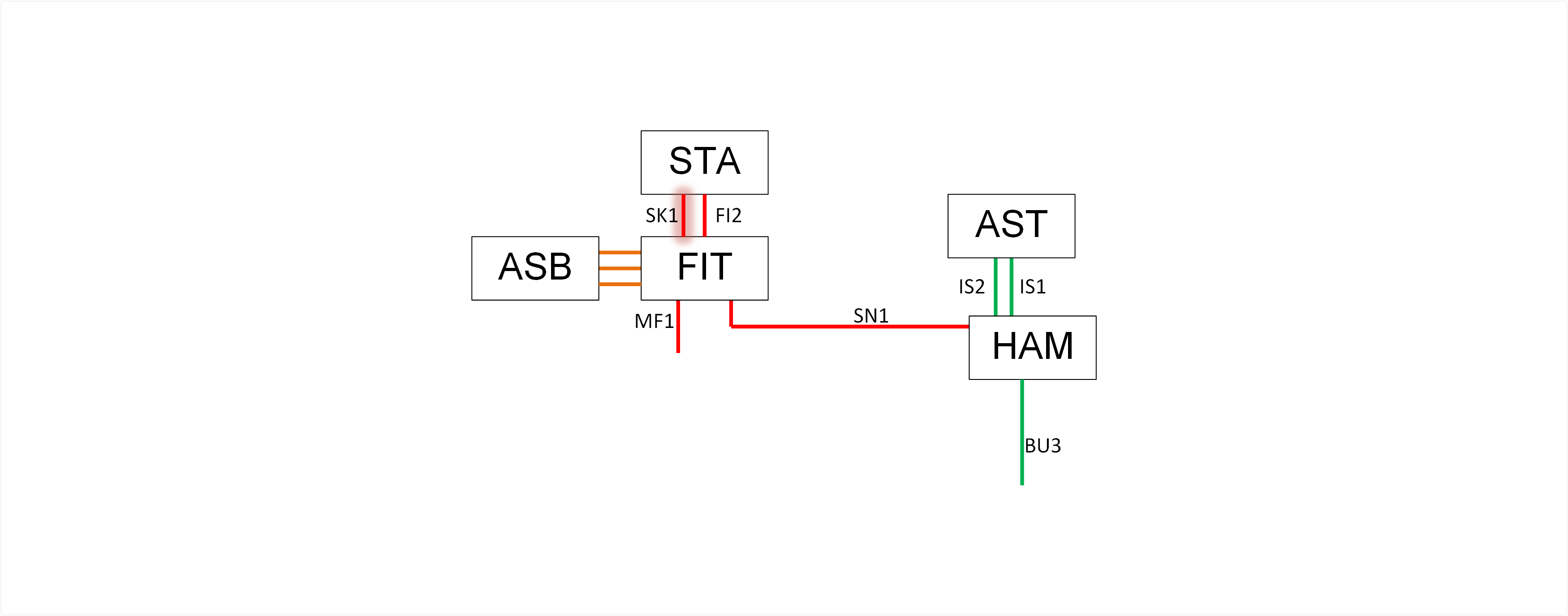
Einlínumynd verkefnis
MYND 3-24 : Einlínumynd af Hólasandslínu 3
Mynd 3-24 sýnir einlínumynd af áætlaðri Hólasandslínu 3. Línuleiðin fylgir að mestu núverandi línuleið Kröflulínu 1.
Tengivirki á Rangárvöllum
Á Rangárvöllum verður byggt nýtt 220 kV tengivirki sem tengt verður núverandi 132 kV tengivirki. Bæta þarf einum 132 kV rofareit við núverandi virki.
TAFLA 3-46 : HS3 – Lýsing framkvæmdar, tengivirki á Rangárvöllum
Tengivirki á Hólasandi
Á Hólasandi verður byggt 220 kV tengivirki sem mun tengja saman Hólasandslínu 3 (Rangárvellir – Hólasandur), Kröflulínu 4 (Krafla – Hólasandur) og Hólasandslínu 1 (Hólasandur – Þeistareykir). Síðastnefnda línan er þegar til staðar og er í dag hluti af Kröflulínu 4. Tilkoma tengivirkisins eykur möskvun kerfisins og stuðlar þannig að bættu afhendingaröryggi meginflutningskerfisins.
TAFLA 3-47 : HS3 – Lýsing framkvæmdar, tengivirki á Hólasandi
Búnaður til launaflsútjöfnunar
Skv. niðurstöðum skýrslu sem fjallar um mat á mögulegum jarðstrengslengdum í 220 kV flutningskerfi á Norðurlandi er launaflsútjöfnun upp á 35 MVAr nauðsynleg á Rangárvöllum ef lagður er 9,8 km langur jarðstrengur í Eyjafirði. Gert er ráð fyrir fastri tengingu við streng.
TAFLA 3-48 : HS3 - Lýsing framkvæmdar, launaflsvirki
Fjárhagslegar upplýsingar um verkefni
TAFLA 3-49 : HS3 – Fjárhagslegar upplýsingar
Tafla 3-49 inniheldur fjárhagslegar upplýsingar um framkvæmdina. Þar kemur fram að teknu tilliti til fyrirvara sem tilgreindir eru í kafla um áhrif framkvæmda á tekjumörk og gjaldskrá mun verkefnið hafa áhrif á báðar gjaldskrár til hækkunar, að því gefnu að heildarkostnaður þess falli utan afskriftarrammans. Áhrifin á stórnotendagjaldskrá eru 5,6% en 1,7% á dreifiveitugjaldskrá. Þetta miðast við þá flutningsaukningu sem spáð er í Raforkuspá fyrir spennusetningarár línunnar, 2021.
Tímaáætlun
Gert er ráð fyrir að framkvæmdir við lagningu línunnar hefjist vorið 2020 og að þeim ljúki í lok árs 2021. Spennusetning er áætluð í lok 2021.
Markmið raforkulaga
Framkvæmd var greining á því hvernig framlagðir valkostir uppfylla markmið raforkulaga.MYND 3-25 : HS3 – Uppfylling markmiða
Mynd 3-25 sýnir myndræna túlkun á niðurstöðu mats á því hvernig framkvæmdin uppfyllir markmið raforkulaga. Bygging Hólasandslínu 3 er talin hafa mikil jákvæð áhrif á öryggi þar sem hún stuðlar beint að auknu N-1 rekstraröryggi á Eyjafjarðarsvæðinu. Það sama gildir um áreiðanleika afhendingar, þar sem að um þriðju tengingu byggðalínu inn á Akureyri er að ræða. Einnig eykur nýtt tengivirki á Hólasandi möskvun kerfisins og eykur þar með áreiðanleikann. Framkvæmdin er talin hafa jákvæð áhrif á gæði raforku þar sem að hún eykur skammhlaupsafl á Rangárvöllum með sterkari tengingu við virkjanir á A-landi og NA-landi. Hvað varðar markmið um skilvirkni er virkjunin einnig talin hafa jákvæð áhrif, en HS3 er ein af flutningsléttari línutengingum valkosta langtímaáætlunar snemma í röðinni eykur gagn og nýtingu KR3 verulega.
Áhrif framkvæmdar á flutningstöp
Töp í háspennulínum eru háð viðnámi leiðara, lengd línu og því afli sem flutt er um línuna. Erfitt er að meta hvaða áhrif mismunandi útfærslur á Hólasandslínu 3 hafa á heildartöp í flutningskerfinu yfir líftíma verkefnisins þar sem slíkt er háð flutningsmagni hverju sinni. Þó er reglan sú að því spennuhærri sem línan er, því minna er viðnám leiðara og þar með minnka töpin samhliða. Það leiðir af sér að flutningstöp muni minnka talsvert á þessari leið þegar horft er yfir líftíma línunnar, án þess þó að mögulegt sé að meta heildartöp yfir líftímann. Til að meta stærðargráðuna er farin sú leið að birta graf sem sýnir flutningstöp í prósentum við flutning á línuleiðinni á milli Rangárvalla og Hólasands, um 70 km leið, sem fall af fluttu afli. Á grafinu eru töp í línunni Kröflulína 1, sem liggur á milli Kröflu og Akureyrar, notuð til viðmiðunar og er þá miðað við sömu vegalengd. Til samanburðar er svo horft til Hólasandslínu 3 sem er 220 kV loftlína með 9,5 km jarðstreng í Eyjafirði. Töpin eru skoðuð annars vegar þegar Hólasandslína 3 er í samrekstri með Kröflulínu 1 og hins vegar þegar Kröflulína 1 er ekki í rekstri.
MYND 3-26 : Hólasandslína 3, flutningstöp sem fall af fluttu afli
Mynd 3-26 sýnir flutningstöpin sem fall af fluttu afli á línuleiðinni á mill Rangárvalla og Hólasands. Heildartöp fyrir viðmiðunarlínuna, Kröflulínu 1 eru 0,65% þegar flutt eru 50 MW, 1,3% við 100 MW, 1,95% við 150 MW og 2,61% við 200 MW flutning. Það skal áréttað að raunveruleg hitaflutningsmörk Kröflulínu 1 eru u.þ.b. 150 MW en til samanburðar eru fræðileg töp útreiknuð áfram (strikalína), þá reiknuð út frá viðnámi línunnar og horft fram hjá raunverulegri flutningsgetu hennar. Í tilfelli samkeyrslu Hólasandslínu 3 og Kröflulínu 1 verða töpin hins vegar 0,16%, 0,31%, 0,47% og 0,62% fyrir þessi fjögur álagstilfelli. Það er minnkun upp á 76% frá viðmiðunartilfellinu. Í tilfellinu þar sem Kröflulína 1 er aftengd og Hólasandslína 3 er eina tengingin á milli svæðanna eru töpin 0,2% fyrir 50 MW flutning, 0,41% fyrir 100 MW, 0,61% fyrir 150 MW og 0,82% fyrir 200 MW flutning. Það er minnkun upp á 68% frá viðmiðunartilfellinu.
Niðurstaðan er að framkvæmdin felur í sér minnkun á töpum frá 68% og upp í 76% eftir því hvort línan sé rekin í samrekstri með Kröflulínu 1 eða ein og sér.
Áhrif framkvæmdar á afhendingaröryggi
Landsnet setur sér markmið er varða áreiðanleika og afhendingaröryggi flutningskerfis ársgrundvelli með mælingu þriggja stuðla. Þessir stuðlar eru straumleysismínútur (SMS, stuðull um meðaltíma skerðingar í mín/ári), stuðull um rofið álag (SRA, MW/MWár) og kerfismínútur (mælikvarði á umfang truflana eða orkuskerðing sem hlutfall af hámarksafli veitu í mínútum). Mælingar á stuðlunum byggjast á truflanaskráningu Landsnets og koma fram í Frammistöðuskýrslu Landsnets ár hvert. Markmið Landsnets fyrir þessa stuðla má sjá í töflunni ásamt þeim áhrifum sem framkvæmdin er talin hafa á stuðlana.
TAFLA 3-50 : Markmið um og möguleg áhrif framkvæmdar á afhendingaröryggi
Fjallað verður um áhrif framkvæmdarinnar Hólasandslínu 3 á ofangreinda stuðla. Annars vegar er fjallað um áhrif Hólasandslínu 3 á stuðlana sem sjálfstæða framkvæmd og hins vegar verður fjallað um áhrif hennar í þeirri framkvæmdaröð framkvæmdaáætlunar í þeim framkvæmdum sem fram koma í valkostagreiningu langtímaáætlunar. Með öðrum orðum verður fjallað um áhrif Hólasandslínu 3 að gefinni þeirri forsendu að Kröflulína 3 sé einnig komin í rekstur enda er það sú röð framkvæmda sem Landsnet leggur fram.
Hólasandslína 3
Áreiðanleiki raforkuafhendingar til notenda og móttöku orku frá virkjunum á svæðinu batnar með tilkomu Hólasandslínu 3 (HS3). Línan liggur frá Rangárvöllum við Akureyri að nýju tengivirki á Hólasandi og þaðan liggur ný 220 kV lína, Kröflulína 4, að Kröflu. Fyrir er 132 kV lína frá Rangárvöllum að Kröflu, Kröflulína 1 (KR1) og mun því nýja línan auka flutningsgetu á þessum kafla byggðalínuhringsins.
Á síðustu 10 árum 2007-2016 hefur KR1 farið fimm sinnum úr rekstri vegna fyrirvaralausra truflana og 29 sinnum vegna viðhalds. Að meðaltali síðustu 10 ár hefur KR1 verið úti rétt undir 14 klukkustundum ári vegna fyrirvaralausra rekstrartruflana og um 60 klukkustundir ári vegna viðhalds. Á síðustu 10 árum hafa verið tvær truflanir á KR1 sem hefur valdið skerðingum hjá Becromal á Akureyri sem samsvarar 42,8 MWh. HS3 liggur við hlið KR1, þannig að truflanir og viðhald á KR1 ættu með tilkomu HS3, að hafa lítil áhrif á afhendingaröryggið á Norðurlandi.
Hér hefur áreiðanleiki eða ótiltæki verið reiknað á þeim afhendingarstöðum sem verða fyrir beinum áhrifum af tilkomu Hólasandslínu 3. Niðurstaða þessara reikninga er eftirfarandi:
- SMS: Með tilkomu nýrrar línu ætti straumleysismínútum (SMS) að fækka að meðaltali um 1,47 mínútur ári, en markmið Landsnets er að straumleysismínútur í kerfinu séu ekki fleiri en 50 ári.
- KM: Engin truflun á Norðurlandi á síðustu 10 árum hefur farið yfir 10 kerfismínútur en markmið Landsnets er að engar slíkar truflanir eigi sér stað í kerfinu. Ætla má því að tilkoma HS3 muni lítið fækka truflunum sem eru yfir 10 kerfismínútur en slíkar truflanir eru fátíðar eins og kemur fram í Frammistöðuskýrslu Landsnets.
- SRA: Stuðull um rofið álag (SRA) er stuðull sem Landsnet hefur sett sér markmið um. Truflanir síðustu 10 ára á KR1 hafa valdið skerðingu sem jafngildir um 0,01 MW/MWár í SRA-stuðlinum fyrir landið í heild en markmið Landsnets er að þessi stuðull sé undir 0,85 MW/MWár. Ný lína við hlið KR1 gæti því að lágmarki lækkað SRA-stuðulinn sem þessu nemur sem er rúmlega 1% lækkun. Truflanir á Norðurlandi síðastliðin 10 ár hafa valdið skerðingu sem jafngildir um 0,17 MW/MWár, hægt er að reikna með að tilkoma HS3 hafi áhrif á truflanir á öllu Norðurlandi og geti haft áhrif á SRA til lækkunar.
Kröflulína 3 (KR3) og Hólasandslína 3 (HS3)
Ef tekin eru saman áhrifin fyrir KR3 og HS3 fæst eftirfarandi:
- KM: Engin truflun á Norðurlandi á síðustu 10 árum hefur farið yfir 10 kerfismínútur en markmið Landsnets er að engar slíkar truflanir eigi sér stað í kerfinu. Ætla má því að tilkoma KR3 og HS3 muni lítið fækka truflunum sem eru yfir 10 kerfismínútur en slíkar truflanir eru fátíðar eins og kemur fram í Frammistöðuskýrslu Landsnets.
- SRA: Með tilkomu bæði KR3 og HS3 gæti SMS lækkað á landsvísu um 0,097 MW/MWár eða allt að 11,5% af markmiði Landsnets sem er að þessi stuðull sé undir 0,85 MW/MWár,
- SMS: Með tilkomu þessara tveggja lína gæti SMS á landsvísu minnkað um 1,49 mín/ári.
KR3 og HS3 eru fyrsti og annar áfangi í stærri áætlun um 220kV „þak“ á byggðalínunni sem miðað er við að nái frá Blöndu að Fljótsdal. Með tilkomu þess þaks mun áreiðanleiki flutningskerfisins aukast til muna.
Til viðbótar við þetta, má nefna að truflanir á rekstri flutningskerfisins geta valdið því að flutningskerfinu er á sjálfvirkan hátt skipt upp í tvær eyjar og oft fylgir slíkum aðgerðum skerðing á afhendingu raforku. Styrking byggðalínukerfisins eflir kerfið og minnkar líkurnar á að til slíkra atburða þurfi að koma en ekki hefur verið skoðað sérstaklega hvaða áhrif Hólasandslína 3 ein og sér hefur á slíka atburði.
Samræmi við stefnu stjórnvalda um línugerð
TAFLA 3-51 : HS3 – Valkostir, samræmi við stefnu um línugerð
Allir valkostir hafa verulega jákvæð áhrif á samræmi við stefnu stjórnvalda um lagningu raflína. Skoðaðir jarðstrengskostir í Eyjafirði liggja innan þéttbýlismarka, þar sem kostnaðarviðmið eiga ekki við. Í Eyjafirði getur loftlína ekki risið samhliða núverandi línum vegna áhrifa á flugumferð og þéttbýli og leiðarval fyrir jarðstreng lítur öðrum lögmálum en leiðarval loftlína.
Samræmi við almenn atriði í stefnu stjórnvalda
TAFLA 3-52 : HS3 – Valkostir, samræmi við almenn atriði í stefnu
Tafla 3-52 inniheldur niðurstöðu mats á því hvernig valkostir samræmast almennum atriðum í stefnu stjórnvalda. Allir valkostir eru taldir hafa óveruleg, jákvæð eða verulega jákvæð áhrif á samræmi við öll almenn markmið nema valkostir 5 og 6. Þar er það metið sem svo að línulögnin muni verða áberandi frá fjölförnum stöðum og er þar átt við frá þjóðvegi 1 í grennd við Laxárlínu 1.
Umhverfisáhrif valkosta
Mynd 3-27 sýnir umhverfismat framkvæmdarinnar. Atvinnuuppbygging, sem sést ekki á grafi, er talin verða fyrir jákvæðum áhrifum. Helstu neikvæðu umhverfisáhrif Hólasandslínu 3 eru á landslag og ásýnd og ferðaþjónustu.
MYND 3-27 : HS3 – Mat á umhverfisáhrifum
Suðurnesjalína 2
Einnig hefur það sýnt sig að aukinn flutningur til Suðurnesja á 132 kV, t.d. í frávikstilfellum, mun auka áraun á 132 kV kerfið á höfuðborgarsvæðinu. Hafa kerfisgreiningar sýnt að líkur á útleysingum í kerfi Veitna munu aukast til muna verði flutningur til Suðurnesja á 132 kV til framtíðar.
Tilurð verkefnis og meginmarkmið
Verkefnið er eitt af þeim sjö verkefnum sem eru sameiginleg öllum valkostum í langtímaáætlun kerfisáætlunar. Mat á umhverfisáhrifum Suðurnesjalínu 2 var hluti af verkefninu Suðvesturlínur, og lálit Skipulagsstofnunar fyrir haustið 2009. Framkvæmdir við verkefnið hófust árinu 2016 en í kjölfar dóma um ógildingu á heimild til eignarnáms og leyfi Orkustofnunar fyrir Suðurnesjalínu 2, ásamt ógildingu á framkvæmdaleyfi Sveitarfélagsins Voga voru framkvæmdir stöðvaðar fljótlega eftir að þær hófust. Í kjölfar þess var ákveðið að ráðast í nýtt umhverfismat á framkvæmdinni.Markmið framkvæmdarinnar eru að koma á annarri tengingu Suðurnesja við meginflutningskerfið á suðvesturhorninu í þeim tilgangi að koma á N-1 rekstri á Suðurnesjum og auka þannig afhendingaröryggi á Suðurnesjum og einnig á höfuðborgarsvæðinu. Einnig að auka flutningsgetu á milli Suðurnesja og höfuðborgarsvæðisins til að mæta kröfum um aukinn flutning raforku í framtíðinni vegna almennrar fjölgunar íbúa, fjölgunar og stækkunar fyrirtækja á Suðurnesjum, áætlana um ýmis iðjuver og gagnaver, ásamt vexti Keflavíkurflugvallar.
Önnur tenging við meginflutningskerfið mun auka sveigjanleika raforkukerfisins á Suðurnesjum m.a. til að mæta aukinni orkuframleiðslu á svæðinu og til að bregðast við árstíðabundnum sveiflum og öðrum breytileika í bæði framleiðslu og notkun á raforku. Núverandi staða með einfalda tengingu hefur þau áhrif að erfitt er að sinna eðlilegu viðhaldi á flutningsmannvirkjum ef taka þarf Suðurnesjalínu 1 úr rekstri.
Við mat á framtíðarþörf fyrir flutningsgetu tengingar á milli höfuðborgarsvæðisins og Suðurnesja þarf að líta til jaðartilfella í framleiðslu eða notkun raforku á svæðinu, þar sem ekki er öruggt að uppbygging verði samstíga á framleiðslu- og notkunarhlið innan svæðisins. Skv. því mati má reikna með að þörfin verði allt að 350 MW að viðbættu launafli árið 2050 að teknu tilliti til 100 MW svigrúms vegna skyndilegra breytinga á rekstri kerfisins (þ.e. reiðuaflskröfu).
Til að sýna hvernig talið er að flutningsþörf muni þróast á milli höfuðborgarsvæðis og Suðurnesja næstu áratugina er stillt upp tveimur mögulegur sviðsmyndum um þróun orkuframleiðslu og notkunar á Suðurnesjum fram til ársins 2050.
TAFLA 3-53 : SN2 – Sviðsmynd um aukna orkuframleiðslu
Tafla 3-53 sýnir að flutningsþörfin á milli Suðurnesja og Höfuðborgarsvæðisins gæti orðið um 150 MW árið 2020 og 300 MW árið 2050 ef orkuframleiðsla myndi aukast á Suðurnesjum og notkunaraukning yrði eingöngu skv. Raforkuspá.
TAFLA 3-54 : SN2 – Sviðsmynd um aukna orkunotkun
- Raforkunotkun skv. Raforkuspá
- Aukin orkuframleiðsla í undirbúningi 30 MW, til viðbótar núverandi framleiðslu 120-160 MW
- Afl virkjanakosta í nýtingarflokki skv. rammaáætlun, 200 MW
- Aukin raforkunotkun skv. Raforkuspá
- Samanlögð áætluð orkunotkun 2050 (243 MW) og skuldbindingar Landsnets (127 MW)
- Neðri mörk orkuframleiðslu núverandi virkjana árið 2017
- Til viðbótar þarf háspennulínan að flytja nægjanlegt launafl
Tafla 3-54 sýnir hvernig dæmið myndi líta út ef raforkuframleiðsla á Suðurnesjum myndi standa í stað frá því sem nú er en raforkunotkun stórnotenda á svæðinu aukast. Á þann hátt yrði flutningsþörf 180 MW árið 2020 og 350 MW árið 2050 að viðbættu því launafli sem línan þarf að flytja.
Í ljósi kröfu um flutningsþörf til framtíðar er því ljóst að önnur 132 kV tenging muni ekki anna þeirri flutningsþörf sem liggur fyrir og mun því ný lína verða byggð sem 220 kV lína.
Verkefnið er á skilgreindu forgangssvæði samkvæmt stefnu stjórnvalda um uppbyggingu flutningskerfis.
Varðandi frekari upplýsingar um framkvæmdina, t.d. markmið og forsendur, er vísað á tillögu að matsáætlun , bls. 3 á heimasíðu Landsnets.
Upprunaleg afgreiðsla verkefnis
Verkefnið var upprunalega afgreitt í janúar 2019 með kerfisáætlun 2018-2027. Síðan kerfisáætlun 2018-2027 var lögð fram hafa orðið breytingar á verkefninu sem snúa að heildarkostnaði.
Upphaflega kostnaðaráætlun við aðalvalkost hljóðaði upp á 1,7 makr. Var sú kostnaðaráætlun byggð á verðbankaverðum og var sett fram í tengslum við valkostagreiningu frá árinu 2016 sem unnin var í tengslum við útgáfu framkvæmdarleyfa.
Við frekari undirbúning verkefnisins hefur verið unnin ítarlegri kostnaðargreining og samkvæmt henni hefur verð allra valkosta hækkað frá því sem kynnt var í áðurnefndri skýrslu.
Samkvæmt nýju kostnaðarmati er áætlaður heildarkostnaður við framkvæmdina nú 2.329 mkr.
Helstu ástæður breytingarinnar eru vanmat á kostnaði við loftlínukost í valkostaskýrslu.
Til að bregðast við breytingu á umfangi verkefnisins hefur verið framkvæmd endurtekin valkostagreining og er niðurstaða hennar birt birt síðar í kaflanum.
Rökstuðningur verkefnis
Sá valkostur sem best uppfyllir markmið raforkulaga og stefnu stjórnvalda uppbyggingu flutningskerfisins og stefnu um lagningu raflína hefur verið valinn sem framlagður valkostur í framkvæmdaáætlun.
TAFLA 3-55 : SN2 – Rökstuðningur verkefnis
Tafla 3-55 sýnir niðurstöðu mats á því hvernig verkefnið uppfyllir markmið raforkulaga, samkvæmt mælikvarða sem lýst er að ofan, og mat á því hvort verkefnið sé í samræmi við stefnur stjórnvalda. Einnig inniheldur hún fjárhagslegar upplýsingar um verkefnið. Matinu ásamt niðurstöðu valkostagreiningar er lýst nánar í töflum 3-59, 3-60, 3-61 og 3-62.
Lýsing á framkvæmd
Verkefnið felst í lagningu 220 kV raflínu á milli Hamraness í Hafnarfirði og Rauðamels á Suðurnesjum. Raflínan verður byggð sem loftlína að stærstum hluta og mun liggja að mestu samsíða núverandi loftlínu, Suðurnesjalínu 1.
Hér á eftir fer lýsing á þeim búnaði sem felst í framkvæmd verkefnisins.
Raflína
TAFLA 3-56 : SN2 – Lýsing framkvæmdar, raflína
Mastragerð
Framkvæmdin miðast við stöguð stálröramöstur, svokölluð M-möstur. Möstrin eru af sömu gerð og voru m.a. notuð í Kröflulínu 4. Þau eru sambærileg að lögun og möstur Suðurnesjalínu 1, nema hærri og breiðari, þar sem þau eru gerð fyrir 220 kV spennu. Nánar er fjallað um mastragerð í umhverfismati framkvæmdarinnar og verður endaleg ákvörðun tekin að undangengnu því mati.
MYND 3-28 : Fyrirhuguð mastragerð SN2 ásamt teikningu af mastri SN1
Mynd 3-28, til vinstri, sýnir teikningu af þeirri mastragerð sem ætlunin er að nota við lagningu Suðurnesjalínu 2. Meðalhæð mastra er um 22,6 metrar með 20 metra langri ofanáliggjandi brú, sem upphengibúnaður og leiðarar línunnar hanga í. Hægra megin á myndinni má svo sjá teikningu af þeirri mastragerð sem notuð er í Suðurnesjalínu 1.
Yfirlitsmynd línuleiðar/ eða tengivirkis
MYND 3-29 : Einlínumynd Suðurnesjalínu 2 frá Hamranesi að Rauðamel
Mynd 3-29 sýnir einlínumynd af áætlaðri Suðurnesjalínu 2. Línan fylgir núverandi línum að mestu leyti, nema í nágrenni Hamraness þar sem hún liggur í gegnum mögulegt framtíðartengivirki við Hrauntungur.
Hamranes tengivirki
TAFLA 3-57 : SN2 - Lýsing framkvæmdar, Hamranes
Rauðimelur tengivirki
TAFLA 3-58 : SN2 – Lýsing framkvæmdar, Rauðimelur
Búnaður til launaflsútjöfnunar
Á ekki við.
Fjárhagslegar upplýsingar um verkefnið
TAFLA 3-59 : SN2 – Fjárhagslegar upplýsingar
Tafla 3-59 inniheldur fjárhagslegar upplýsingar um verkefnið. Áætlaður heildarkostnaður við framkvæmdina er 2.329 mkr.
Erfitt er að leggja mat á kostnað vegna skertrar afhendingar á Suðurnesjum vegna framleiðslueininga sem þar eru, en Landsnet hefur ekki forsendur til að meta það tekjutap sem orkuframleiðendur verða fyrir ef núverandi tenging fer úr rekstri. Sem dæmi um annan kostnað sem samfélagið verður fyrir af völdum straumleysis á Suðurnesjum má nefna truflun sem varð þann 6. febrúar 2015, þegar járnplata fauk á Suðurnesjalínu 1 og olli straumleysi í 30 mínútur. Útreiknaður samfélagskostnaður af því atviki er rúmlega 100 milljónir ef notaðar eru tölur frá START-hópnum um kostnað vegna rafmagnsleysis og er þá ekki tekið tillit til þess kostnaðar sem orkuframleiðendur urðu fyrir.
Tímaáætlun
Gert er ráð fyrir að framkvæmdir hefjist um mitt árið 2020 og að þeim ljúki í byrjun árs 2022. Spennusetning er áætluð áramótin 2021-2022 og öllum frágangi á verkstað á að verða lokið í byrjun árs 2022.
Valkostagreining
Alls voru teknir fjórir meginvalkostir til skoðunar vegna byggingar Suðurnesjalínu 2. Í valkostagreiningu sem framkvæmd var í tengslum við kerfisáætlun 2018-2027 var um fimm valkosti að ræða, en valkostur 5, sem snéri að lagningu Suðurnesjalínu 1 í jörðu að hluta, var ekki tekinn til skoðunar í umhverfismati framkvæmdarinnar, þar sem hann var ekki talin uppfylla markmið framkvæmdarinnar, og er honum því sleppt hér.TAFLA 3-60 : SN2 – LÝSING Á VALKOSTUM
Fjárhagslegur samanburður valkosta
TAFLA 3-61 : SN2 – FJÁRHAGSLEGUR SAMANBURÐUR VALKOSTA
Markmið raforkulaga
Öryggi
Lagt hefur verið mat á það hvernig allir skoðaðir valkostir uppfylla markmið um öryggi. Sem liður í matinu hefur grunnástand öryggis verið metið fyrir alla matsþætti sem ná yfir öryggi.
TAFLA 3-62 : SN2 – MAT Á GRUNNÁSTANDI MATSÞÁTTA FYRIR ÖRYGGI
Tafla 3-62 sýnir niðurstöðu mats á grunnástandi matsþátta sem ná yfir öryggi. Grunnástand Tvítengingar afhendingarstaða er metið lágt þar sem Reykjanesið allt er eingöngu tengt með einni línu, SN1, við megin flutningskerfið. Það er einnig ástæða þess að grunnástand Stöðugleika er metið í lægsta flokki, en útleysing á einni einingu í kerfinu getur valdið talsverðum óstöðugleika sem getur komið af stað keðjuverkandi útleysingum bæði á Reykjanesi og Höfuðborgarsvæðinu. Matsþátturinn Náttúruvá er metinn nokkuð lágur þar sem SN1 liggur yfir Skógfellahraun skv. korti frá Veðurstofu Íslands en SN1 er mjög mikilvæg lína fyrir kerfið á Suðurnesjum.
Með greiningum eru áhrif skoðaðra valkosta á matsþætti sem ná yfir öryggi metin og er niðurstaða matsins eftirfarandi:
TAFLA 3-63 : SN2 – MAT Á EINKENNUM ÁHRIFA VALKOSTA Á ÖRYGGI
Tafla 3-63 sýnir niðurstöðu mats á því hver einkenni áhrifa skoðaðra valkosta eru á matsþætti fyrir öryggi. Eins og sést á töflunni eru áhrif valkostsins á Tvítengingar afhendingarstaða metin nokkuð há þar sem að með tilkomu SN2 kemst á tvöföld tenging milli Reykjaness og megin flutningskerfisins. Hins vegar verða virkjanirnar Reykjanes og Svartsengi ennþá geislatengdar og því eru áhrifin ekki í hæsta flokki. Stöðugleiki eykst mjög með tilkomu SN2 og eru áhrifin einnig metin í nokkuð há fyrir alla valkosti. Ennþá er kerfið viðkvæmt við að missa út framleiðslueiningar á Reykjanesi. Í matsþætti fyrir Náttúruvá eru áhrif valkosta 1 og 2 metin hærri þar sem um er að ræða jarðstrengi, en skv. umhverfismati eru línuleiðir valkosta vel staðsettar m.t.t. jarðskjálfta.
Áreiðanleiki afhendingar
Lagt hefur verið mat á það hvernig skoðaðir valkostir uppfylla markmið um áreiðanleika afhendingar. Sem liður í því mati er lagt mat á grunnástand þeirra matsþátta sem notaðir eru við mat á markmiði um áreiðanleika afhendingar.
TAFLA 3-64 : SN2 – GRUNNÁSTAND MATSÞÁTTA FYRIR ÁREIÐANLEIKA AFHENDINGAR
Tafla 3-64 sýnir niðurstöðu mats á grunnástandi matsþátta sem ná yfir áreiðanleika afhendingar. Grunnástand fyrir Flöskuhálsa, Ótiltæki og Áreiðanleikastuðla er metið í lágt. Kerfið á Reykjanesi er full lestað og notast er við snjallútleysingar til þess að slökkva á notendum í truflanatilvikum og eins og áður segir getur útleysing á einni einingu í kerfinu komið af stað keðjuverkandi útleysingum bæði á Reykjanesi og Höfuðborgarsvæðinu.
Með kerfisgreiningum eru áhrif valkostanna á þá matsþætti sem notaðir eru til að mæla áreiðanleika afhendingar metin og er niðurstaða matsins eftirfarandi:
TAFLA 3-65 : SN2 – ÁHRIF VALKOSTA Á ÁREIÐANLEIKA AFHENDINGAR
Tafla 3-65 sýnir niðurstöðu mats á því hver einkenni áhrifa valkosta eru á matsþætti fyrir áreiðanleika afhendingar. Áhrif valkostanna á Flöskuhálsa eru metin nokkuð há þar sem flutningsgetan inn á Reykjanesið eykst með tilkomu SN2. Áhrif valkostanna á Ótiltæki eru einnig metin nokkuð há þar sem kerfið verður betur í stakk búið að takast á við ótiltæki einstakra eininga. Áhrif valkostanna á Áreiðanleikastuðla eru metin nokkuð há þar sem áreiðanleikinn kemur til með að aukast verulega með tilkomu SN2.
Gæði raforku
Lagt hefur verið mat á það hvernig allir skoðaðir valkostir uppfylla markmið um gæði raforku. Sem liður í því mati hefur grunnástand verið metið fyrir alla matsþætti sem ná yfir gæði raforku.
TAFLA 3-66 : SN2 – MAT Á GRUNNÁSTANDI MATSÞÁTTA FYRIR GÆÐI RAFORKU
Tafla 3-66 sýnir niðurstöðu mats á grunnástandi allra matsþátta sem ná yfir gæði raforku. Grunnástand fyrir Kerfisstyrk er metið nokkuð hátt þar sem skammhlaupsaflið á Reykjanesi er tæp 1.700 MVA. Grunnástandið fyrir Spennusveiflur/spennuþrep er einnig metið nokkuð hátt þar sem það fór ekki yfir 1% í hermunum. Grunnástandið fyrir Afhendingarspennu/vikmörk er svo líka metið nokkuð hátt þar sem spennan fer ekki út fyrir leyfileg mörk á afhendingarstöðum á svæðinu.
Til að meta áhrif skoðaðra valkosta á þá matsþætti sem notaðir eru til að mæla gæði raforku hafa verið framkvæmdar kerfisgreiningar þar sem áhrif allra valkosta á matsþættina eru rannsökuð. Niðurstaða matsins er eftirfarandi:
TAFLA 3-67 : SN2 – ÁHRIF VALKOSTA Á GÆÐI RAFORKU
Tafla 3-67 sýnir niðurstöðu mats á því hver einkenni áhrifa valkosta eru á þá matsþætti sem notaðir eru til að mæla uppfyllingu markmiðs raforkulaga um gæði raforku. Eins og sést á töflunni eru áhrif valkostanna á Kerfisstyrk metin nokkuð lág þar sem skammhlaupsaflið á FIT eykst á bilinu 9-14% eftir valkostum. Áhrif allra valkosta á Spennusveiflur/spennuþrep eru nánast engin, spennuþrep er áfram undir 1%. Áhrif valkostanna allra á Afhendingarspennu/vikmörk eru svo metin nokkuð lág, afhendingarspennan lagast aðeins og er áfram vel innan marka á afhendingarstöðum.
Skilvirkni
Lagt hefur verið mat á það hvernig valkosturinn uppfyllir markmið um skilvirkni. Grunnástand hefur verið metið fyrir alla matsþætti sem ná yfir skilvirkni.
TAFLA 3-68 : SN2 – GRUNNÁSTAND MATSÞÁTTA FYRIR SKILVIRKNI
Tafla 3-68 sýnir niðurstöðu mats á grunnástandi allra matsþátta sem ná yfir Skilvirkni. Eins og sést á töflunni er grunnástand Flutningstapa metið nokkuð hátt. Flutningstöpin voru metin á SN1 og MF1 fyrir frekar álagsþungt tilfelli og voru töpin í kringum 0,6%. Grunnástand fyrir Flutningsgetu var metið lágt þar sem ekki er hægt að bæta við álagi á Reykjanesi vegna flutningstakmarkana í núverandi kerfi. Grunnástand fyrir Nýtingu virkjana var svo metið nokkuð lágt þar sem virkjanir á svæðinu eru geislatengdar og stækkun þeirra takmarkast af einni línu í dag, MF1.
Með greiningum eru áhrif valkostanna á matsþætti skilvirkni metin og er niðurstaða matsins eftirfarandi:
TAFLA 3-69 : SN2 – EINKENNI ÁHRIFA VALKOSTA Á SKILVIRKNI
Tafla 3-69 sýnir niðurstöðu mats á því hver einkenni áhrifa valkosts eru á matsþætti fyrir Skilvirkni. Eins og sést á töflunni eru áhrif valkosta á Flutningstöp metin lítil þar sem tilkoma SN2 breytti nánast engu fyrir flutningstöpin á þeim tveim línum sem mældar voru fyrir grunnástandið. Áhrif allra valkosta á Flutningsgetu er nokkuð há þar sem flutningsgetan milli Hamraness og Fitja rúmlega tvöfaldast. Áhrifin á Nýtingu virkjana eru metin miðlungs fyrir alla valkosti þar sem virkjanir á svæðinu takmarkast ekki lengur af einni línu. Þær eru þó áfram geislatengdar hver um sig.
Hagkvæmni
Til að leggja mat á hagkvæmni framkvæmdarinnar hefur verið lagt mat á það hvernig valkosturinn uppfyllir markmið um hagkvæmni. Liður í því er að meta grunnástand þeirra matsþátta sem notaðir eru fyrir mat á uppfyllingu markmiðs um hagkvæmni.
TAFLA 3-70 : LAE – GRUNNÁSTAND MATSÞÁTTA FYRIR HAGKVÆMNI
Tafla 3-70 sýnir niðurstöðu mats á grunnástandi matsþátta sem notaðir eru sem mælikvarðar fyrir markmið um Hagkvæmni. Grunnástandið fyrir Truflanir og skerðingar er metið lágt þar sem truflun á SN1 veldur straumleysi á öllu Reykjanesinu. Einnig veldur ein truflun á MF1 því að allar virkjanir á svæðinu fara út. Grunnástandið fyrir Losun gróðurhúsalofttegunda er metið nokkuð lágt erfitt er að auka raforkunotkun á svæðinu til þess að bregðast við orkuskiptum í samgöngum. Grunnástandið fyrir Aukningu flutningsmagns er einnig metið lágt þar sem ekki er hægt að bæta við neinu álagi á Reykjanesi.
Með greiningum eru áhrif valkostanna á matsþætti hagkvæmni metin og er niðurstaða matsins eftirfarandi:
TAFLA 3-71 : SN2 – ÁHRIF VALKOSTA Á HAGKVÆMNI
Tafla 3-71 sýnir niðurstöðu mats á því hver einkenni áhrifa valkosta eru á matsþætti fyrir hagkvæmni. Eins og sést á töflunni eru áhrif valkostanna á Truflanir og skerðingar metin nokkuð há þar sem ný lína mun koma að mestu leyti í veg fyrir skerðingar. Áhrif á matsþættina Losun gróðurhúsalofttegunda og Aukningu flutningsmagns eru einnig metin nokkuð há þar sem línan eykur flutningsgetu inn á Reykjanes sem ýtir undir orkuskipti og aukna notkun á svæðinu.
Niðurstaða mats á uppfyllingu markmiða
MYND 3-30 : SN2 – NIÐURSTAÐA MATS Á UPPFYLLINGU MARKMIÐA FYRIR VALKOST 1
MYND 3-31 : SN2 – NIÐURSTAÐA MATS Á UPPFYLLINGU MARKMIÐA FYRIR VALKOST 2
MYND 3-32 : SN2 – NIÐURSTAÐA MATS Á UPPFYLLINGU MARKMIÐA FYRIR VALKOST 3
MYND 3-33 : SN2 – Uppfylling markmiða
Myndirnar sýna mat á því hvernig framkvæmdin uppfyllir markmið raforkulaga. Samkvæmt matinu hefur framkvæmdin mikil jákvæð áhrif á Öryggi, Áreiðanleika afhendingar og Hagkvæmni en einnig jákvæð áhrif á Gæði raforku og Skilvirkni. Ástæður þess eru þær að framkvæmdin leiðir beint af sér N-1 rekstur á Suðurnesjum, sem hefur mjög jákvæði áhrif á afhendingaröryggi. Einnig eykst stöðugleiki og kerfisstyrkur, auk þess sem sveigjanleiki kerfisins eykst með aukinni flutningsgetu. Skilvirkni eykst einnig til muna þar sem um tvær tengingar verður að ræða til Suðurnesja.
Samræmi við stefnu stjórnvalda um línugerð
TAFLA 3-72 : SN2 - VALKOSTIR, SAMRÆMI VIÐ STEFNU UM LÍNUGERÐ
Tafla 3-72 inniheldur mat á því hvernig valkostir samræmast stefnu stjórnvalda um lagningu raflína, en samkvæmt henni ber að meta jarðstrengskosti í meginflutningskerfinu þar sem ofangreind viðmið eiga við. Í valkostum 1 og 2 eiga þessi viðmið ekki við nema að takmörkuðu leyti innan dreifbýlis í Hafnarfirði og því eru valkostirnir ekki í samræmi við stefnu um línugerð. Í valkostum 3 og 4 er um styttri jarðstrengskafla að ræða og því eru áhrifin einungis talin vera neikvæð í stað verulegra neikvæðra í tilfelli af valkostum 1 og 2. Samkvæmt þessu er valkostur 3 eini valkosturinn sem er í fullu samræmi við stefnu stjórnvalda um línugerð.
Vakin er athygli á því að kostnaðarhlutfall jarðstrengs í þéttbýli á aðeins við þann hluta jarðstrengsins sem liggur innan þéttbýlis í Hafnarfirði um 1,4 km að lengd. Kostnaður við þann strengbút hefur verið metinn sérstaklega og reyndist hlutfallið á þessum stað vera 1,45 x það sem loftlína á sama stað kostar. Þetta hlutfall er mjög breytilegt eftir aðstæðum hverju sinni og stýrist af t.d. lengd, landslagsgerð, endabúnaði, mögulegum útjöfnunarbúnaði og fleira og því er ekki hægt að yfirfæra þetta hlutfall á aðra hluta þessarar leiðar, eða yfir á önnur verkefni. Í slíkum verkefnum er verð á jarðstrengslögnum og loftlínum alltaf metið sérstaklega og borið saman.
Samræmi við almenn atriði í stefnu stjórnvalda
TAFLA 3-73 : SN2 -VALKOSTIR, SAMRÆMI VIÐ ALMENN ATRIÐI Í STEFNU
**Minjar sem njóta verndar skv. 61. gr. eru: Votlendi, birkiskógar, eldhraun o.fl. jarðminjar, fossar og hverir.
Tafla 3-73 inniheldur mat á því hvernig valkostir samræmast almennum atriðum í stefnu stjórnvalda um uppbyggingu flutningskerfis. Allir valkostir eru að mestu leyti í samræmi við almenn atriði í stefnunni. Þó er ljóst að valkostir 1 og 2 munu hafa talsverð áhrif á hámarkslengdir jarðstrengslagna í öðrum línum á SV horninu. Skv. umfjöllun um jarðstrengi í kafla 4.4.3 í langtímaáætlun kerfisáætlunar er möguleg hámarkslengd jarðstrengja í nýjum 220 kV línum á SV horninu áætlað um 70 til 80 km. Þessi vegalengd á við fjórar boðaðar framkvæmdir á svæðinu og mun auk þess hafa áhrif á strenglengdir á lægra spennustigi og því er mikilvægt að fram fari heildstætt mat á því, í umhverfismati framkvæmdarinnar, hvar jarðstrengir hafi í för með sér mestan ávinning.
Umhverfisáhrif valkosta
Mynd 3-34 inniheldur mat á umhverfisáhrifum aðalvalkosts vegna Suðurnesjalínu 2. Helstu neikvæðu umhverfisáhrif Suðurnesjalínu eru á landslag og ásýnd, jarðminjar, ferðaþjónustu og vatnafar. Jákvæð áhrif eru á atvinnuuppbyggingu.
MYND 3-34 : SN2 – Mat á umhverfisáhrifum
Umhverfismat allra framlagðra valkosta má finna í umhverfisskýrslu bls. 66-67, en þar er fjallað um umhverfismat allra valkosta. Umhverfismati framkvæmdarinnar er lokið og nálgast má frummatsskýrslu á heimasíðu Landsnets.
Niðurstaða valkostagreiningar
Alls hafa fjórir valkostir verið skoðaðir þar sem tekið er mið af markmiðum raforkulaga og stefnu stjórnvalda uppbyggingu flutningskerfisins og stefnu um lagningu raflína. Valkostunum hefur verið stillt upp og borið saman hvernig þeir uppfylla nefnd markmið og mat á einstökum þáttum útskýrt.
Samanburður á framlögðum valkostum, byggður á þeim mælikvörðum sem lýst er hér að framan, leiðir í ljós að allir valkostir uppfylla markmið raforkulaga á sama hátt. Hins vegar þegar litið er til stefnu stjórnvalda um lagningu raflína er valkostur 3 sá valkostur sem samræmist stefnunni best. Hvað varðar umhverfisáhrif hafa allir valkostir sömu áhrif á land, lífríki, og atvinnuuppbyggingu, aðra en ferðaþjónustu. Loftlínukostirnir hafa neikvæðari áhrif á landslag og ásýnd og ferðaþjónustu en jákvæðari áhrif á jarðminjar og vatnafar. Allir valkostir hafa neikvæð áhrif á menningarminjar, nema valkostur 2 sem snýr að lagningu jarðstrengs meðfram Reykjanesbraut. Í blandaða valkosti 4 eru áhrif á landslag/ásýnd og ferðaþjónustu milduð fyrir þá hluta línunnar sem lagðir verða í jörðu, en áhrif á vatnafar aukast.
Það er því niðurstaða valkostagreiningarinnar að sá valkostur sem bæði uppfyllir markmið raforkulaga og sé í fullu samræmi við stefnu stjórnvalda sé valkostur 3. Hann er einnig sá valkostur sem er ódýrastur og hefur minnst áhrif á gjaldskrár í för með sér. Valkostur 3 snýr að lagningu 220 kV loftlínu frá Rauðamel að Hrauntungum og jarðstrengur frá Hrauntungum og að Hamranesi og er lagður fram sem aðalvalkostur í framkvæmdaáætlun þessari.
Lækjartún - nýtt tengivirki
Uppruni og markmið verkefnis
Núverandi flutningskerfi raforku á Suðurlandi samanstendur af 66 kV kerfi sem skiptist í austur- og vesturhluta, hvor hluti með hringtengingu. Tenging á milli hlutanna er um Selfosslínu 2 (SE2) á milli Hellu og Selfoss en flutningsgeta hennar er mjög takmörkuð. Innfæðing í austurhluta kerfisins er frá Búrfelli um línur að Flúðum og Hvolsvelli og í vesturhlutann frá Ljósafossi um línur að Selfossi og Hveragerði. Í samræmi við auknar þarfir á orkuafhendingu á Suðurlandi hyggst Landsnet styrkja flutningskerfið þannig að hægt sé að flytja aukna raforku inn á svæðið og auka afhendingaröryggi.
Meginmarkmið verkefnisins eru eftirfarandi:
- Að auka flutningsgetu inn á svæðisbundna flutningskerfið á Suðurlandi
- Að auka áreiðanleika afhendingar á Suðurlandi
- Að auka nýtingu endurnýjanlegra orkugjafa með því að auðvelda orkuskipti á Suðurlandi og í Vestmannaeyjum
Eftir umfangsmikla kerfis- og frumgreiningu Landsnets var lagt til að reist yrði nýtt tengivirki sem tengdist 220 kV Búrfellslínu 2 miðsvæðis á Suðurlandi og tengdist báðum hlutum 66 kV kerfisins í landshlutanum. Í framtíðinni yrði hluti 66 kV kerfisins spennuhækkaður í 132 kV.
Framlagður aðalvalkostur
Verkefnið snýr að byggingu nýs tengivirkis, sem mun bera heitið Lækjartún (LAE í KKS-1 kóða). Í virkinu verður 220 kV gaseinangraður (GIS) rofabúnaður með þremur rofareitum ásamt möguleika á að stækka um tvo reiti. Í virkinu verður einn 220/132 kV aflspennir með lágspennuvinding umtengjanlegan í 66 kV. Þrír 132 kV GIS rofareitir verða í tengivirkinu og mögulegt að stækka 132 kV rofabúnaðinn, en þá þarf að lengja rofasalinn.Rökstuðningur fyrir aðalvalkosti
Sá valkostur sem uppfyllir markmið framkvæmdarinnar ásamt því að uppfylla best markmið raforkulaga og stefnu stjórnvalda hefur verið valinn sem framlagður valkostur.TAFLA 3-74 : LAE – Rökstuðningur verkefnis
Lýsing á framkvæmd
Verkefnið felur í sér byggingu nýs tengivirkis við Lækjartún þar sem settir verða upp þrír 220 kV rofareitir og þrír 132 kV rofareitir ásamt 220/132 kV millisambandsspenni. Tengivirkisbyggingin verður reist með nægjanlegt rými til að bæta við tveimur 220 kV rofareitum síðar og mögulegt verður að lengja rofasalinn síðar þannig að hægt sé að bæta við 132 kV rofareitum.
Tengivirki við Lækjartún
TAFLA 3-75 : LAE – Lýsing framkvæmdar
Einlínumynd verkefnis
MYND 3-35 : Einlínumynd af flutningskerfinu á Suðurlandi með nýju tengivirki við Lækjartún
Mynd 3-35 sýnir einlínumynd af svæðisflutningskerfinu á Suðurlandi með nýju tengivirki við Lækjartún á milli Búrfellslínu 2 og þjóðvegar 1 rétt austan við Þjórsá.
Fjárhagslegar upplýsingar um aðalvalkost
TAFLA 3-76 : LAE – Fjárhagslegar upplýsingar
Tímaáætlun
Gert er ráð fyrir að framkvæmdir hefjist á þriðja ársfjórðungi árið 2019 og að þeim ljúki seinni hluta ársins 2021.
Valkostagreining
Alls voru teknir þrír meginvalkostir til skoðunar vegna styrkingar á eystri hluta svæðisflutningskerfisins á Suðurlandi. Auk aðalvalkosts var skoðuð sambærileg lausn við Hvamm ásamt því að auka afhendingargetuna í Búrfelli.TAFLA 3-77 : LAE – Lýsing á valkostum
Fjárhagslegur samanburður valkosta
TAFLA 3-78 : LAE – Fjárhagslegur samanburður valkosta
Markmið raforkulaga
Öryggi
Lagt hefur verið mat á það hvernig allir skoðaðir valkostir uppfylla markmið um öryggi. Sem liður í matinu hefur grunnástand öryggis verið metið fyrir alla matsþætti sem ná yfir öryggi.
TAFLA 3-79 : LAE – Mat á grunnástandi matsþátta fyrir öryggi
Tafla 3-79 sýnir niðurstöðu mats á grunnástandi matsþátta sem ná yfir öryggi. Grunnástand Tvítengingar afhendingarstaða er metið í næsthæsta flokki sökum þess að Hella tengist nú þegar flutningskerfinu með tveimur tengingum. Ástæða þess að það er ekki metið í hæsta flokki er tak-mörkuð flutningsgeta spenna í Búrfelli sem valda flutningstakmörkunum í truflanatilfellum. Það er einnig ástæða þess að grunnástand Stöðugleika er metið í næstlægsta flokki, en útleysing á einni einingu í kerfinu getur valdið talsverðum óstöðugleika sem getur komið af stað keðjuverkandi útleysingum á svæðinu. Matsþátturinn Náttúruvá er metinn lágur þar sem Hvolsvallarlína 1 (HV1) liggur yfir áhrifasvæði Heklugoss skv. korti frá Veðurstofu Íslands en HV1 er mjög mikilvæg fyrir kerfið á Suðurlandi.
Með greiningum eru áhrif skoðaðra valkosta á matsþætti sem ná yfir öryggi metin og er niðurstaða matsins eftirfarandi:
TAFLA 3-80 : LAE – Mat á einkennum áhrifa valkosta á öryggi
Tafla 3-80 sýnir niðurstöðu mats á því hver einkenni áhrifa skoðaðra valkosta eru á matsþætti fyrir öryggi. Eins og sést á töflunni eru áhrif valkostsins á Tvítengingar afhendingarstaða metin í hæsta lagi. Ástæður þess eru að ný flutningsleið bætist við inn á svæðið í öllum valkostum. Stöðugleiki mun einnig aukast talsvert við framkvæmdina í öllum valkostum sökum þess að líkur á útleysingum vegna yfirálags munu minnka og það minnkar líkurnar á keðjuverkandi útleysingum á svæðinu. Áhrif valkosta á Náttúruvá eru metin hátt fyrir valkost 1 þar sem ný virki eru fyrir utan áhrifasvæði Heklu en fyrir hina valkostina eru áhrifin metin lítil þar sem ný mannvirki verða áfram innan áhrifasvæðisins.
Áreiðanleiki afhendingar
Lagt hefur verið mat á það hvernig skoðaðir valkostir uppfylla markmið um áreiðanleika afhendingar. Sem liður í því mati er lagt mat á grunnástand þeirra matsþátta sem notaðir eru við mat á markmiði um áreiðanleika afhendingar.
TAFLA 3-81 : LAE – Grunnástand matsþátta fyrir áreiðanleika afhendingar
Tafla 3-81 sýnir niðurstöðu mats á grunnástandi matsþátta sem ná yfir áreiðanleika afhendingar. Grunnástand fyrir Flöskuhálsa er metið í næstlægsta flokki vegna flutningstakmarkana í skertu kerfi. Grunnástand fyrir Ótiltæki er einnig metið í næstlægsta flokki þar sem ótiltæki eininga kallar á skerðingar. Grunnástand fyrir Áreiðanleikastuðla er hins vegar metið nokkuð hátt þar sem truflanir hafa hingað til eingöngu valdið skerðingum á skerðanlegum flutning.
Með kerfisgreiningum eru áhrif valkostanna á þá matsþætti sem notaðir eru til að mæla áreiðanleika afhendingar metin og er niðurstaða matsins eftirfarandi:
TAFLA 3-82 : LAE – Áhrif valkosta á áreiðanleika afhendingar
Tafla 3-82 sýnir niðurstöðu mats á því hver einkenni áhrifa valkosta eru á matsþætti fyrir áreiðanleika afhendingar. Áhrif valkosta 1 og 2 á flöskuhálsa eru metin talsverð, þar sem nýr innmötunarstaður úr 220 kV kerfinu mun auka verulega aflgetu inn á svæðið. Valkostur 3 er talinn hafa miðlungsáhrif þar sem verið er að uppfæra núverandi innmötunarstað. Áhrif á ótiltæki er lítið í valkostum 1 og 2 þar sem mikilvægur spennir með háan ótiltækistuðul bætist við en jarðstrengir vega upp á móti honum. Í valkosti 3 lagast ótiltækið þar sem nýir spennar hafa betri stuðla en gömlu spennarnir sem hefur einnig áhrif á áreiðanleikastuðla til hækkunar. Áhrif valkosta 1 og 2 á áreiðanleikastuðla eru ekki mælanleg og því metin vera lítil.
Gæði raforku
Lagt hefur verið mat á það hvernig allir skoðaðir valkostir uppfylla markmið um gæði raforku. Sem liður í því mati hefur grunnástand verið metið fyrir alla matsþætti sem ná yfir gæði raforku.
TAFLA 3-83 : LAE – Mat á grunnástandi matsþátta fyrir gæði raforku
Tafla 3-83 sýnir niðurstöðu mats á grunnástandi allra matsþátta sem ná yfir gæði raforku. Grunnástand fyrir Kerfisstyrk er skoðað fyrir Hellu en það er metið frekar lágt. Grunnástand fyrir matsþáttinn Spennusveiflur/spennuþrep er metið hátt þar sem mælt spennuþrep er vel innan marka. Fyrir Afhendingarspennu/vikmörk er grunnástandið metið hátt og er ástæða þess sú að rekstrarspenna er á milli 1 og 1,05 pu á afhendingarstöðum á svæðinu.
Til að meta áhrif skoðaðra valkosta á þá matsþætti sem notaðir eru til að mæla gæði raforku hafa verið framkvæmdar kerfisgreiningar þar sem áhrif allra valkosta á matsþættina eru rannsökuð. Niðurstaða matsins er eftirfarandi:
TAFLA 3-84 : LAE – Áhrif valkosta á gæði raforku
Tafla 3-84 sýnir niðurstöðu mats á því hver einkenni áhrifa valkosta eru á þá matsþætti sem notaðir eru til að mæla uppfyllingu markmiðs raforkulaga um gæði raforku. Eins og sést á töflunni eru áhrif valkosta 1 og 3 á Kerfisstyrk metin há þar sem skammhlaupsaflið á Hellu tvöfaldast en fyrir valkost 2 hækkar það um þriðjung og fær því miðlungsgildi. Áhrif allra valkosta á Spennusveiflur/spennuþrep og Afhendingarspennu/vikmörk eru metin lítil þar sem grunnástandið fyrir þessi atriði voru mæld innan marka og valkostirnir breyta ástandinu á því lítið.
Skilvirkni
Lagt hefur verið mat á það hvernig valkosturinn uppfyllir markmið um skilvirkni. Grunnástand hefur verið metið fyrir alla matsþætti sem ná yfir skilvirkni.
TAFLA 3-85 : LAE – Grunnástand matsþátta fyrir skilvirkni
Tafla 3-85 sýnir niðurstöðu mats á grunnástandi allra matsþátta sem ná yfir Skilvirkni. Eins og sést á töflunni er grunnástand Flutningstapa metið lágt. Flutningstöp voru reiknuð í núverandi 66 kV kerfi (FU1, HV1, HE1 og HE2) og voru þau rúmlega fjórföld meðaltöp kerfisins alls. Grunnástand fyrir Flutningsgetu er metið lítið þar sem ekki er möguleiki á neinni flutningsaukningu á svæðinu. Grunnástand fyrir Nýtingu virkjana er metið sem nokkuð lágt af þeirri ástæðu að flutningskerfið takmarkar ekki keyrslu núverandi virkjana á áhrifasvæði framkvæmdarinnar, en aftur á móti eru möguleikar á tengingum nýrra virkjanakosta á svæðinu takmarkaðir.
Með greiningum eru áhrif valkostanna á matsþætti skilvirkni metin og er niðurstaða matsins eftirfarandi:
TAFLA 3-86 : LAE – Einkenni áhrifa valkosta á skilvirkni
Tafla 3-86 sýnir niðurstöðu mats á því hver einkenni áhrifa valkosts eru á matsþætti fyrir Skilvirkni. Eins og sést á töflunni eru áhrif valkosta á Flutningstöp metin misjöfn. Valkostur 1 minnkar töpin niður fyrir meðaltöp kerfis. Valkostur 2 minnkar töpin um helming og valkostur 3 minnkar töpin þannig að þau eru rétt yfir meðaltöpunum. Áhrif allra valkosta á Flutningsgetu eru metin mikil þar sem flutningsgetan inn á svæðið eykst um helming. Áhrif allra valkosta á matsþáttinn Nýtingu virkjana er einnig metin mikil vegna þess að með framkvæmdinni, óháð valkostum, mun myndast töluvert svigrúm fyrir nýja orkuvinnslu á svæðinu.
Hagkvæmni
Til að leggja mat á hagkvæmni framkvæmdarinnar hefur verið lagt mat á það hvernig valkosturinn uppfyllir markmið um hagkvæmni. Liður í því er að meta grunnástand þeirra matsþátta sem notaðir eru fyrir mat á uppfyllingu markmiðs um hagkvæmni.
TAFLA 3-87 : LAE – Grunnástand matsþátta fyrir hagkvæmni
Tafla 3-87 sýnir niðurstöðu mats á grunnástandi matsþátta sem notaðir eru sem mælikvarðar fyrir markmið um Hagkvæmni. Eins og sést á töflunni er grunnástand fyrir matsþáttinn Truflanir og skerðingar metið lágt. Ástæða þess er að tíðar skerðingar eru á Suðurlandi í núverandi kerfi vegna bilana og yfirlestana. Árlegur START-kostnaður svæðisins er metinn í kringum 25 milljónir króna. Grunnástand fyrir Losun gróðurhúsalofttegunda er einnig metið lágt vegna keyrslu varaafls í Vestmannaeyjum. Full rafvæðing fiskimjölsiðnaðar er ómöguleg í núverandi kerfi og illmögulegt að rafvæða Herjólf. Grunnástand fyrir matsþáttinn Aukning flutningsmagns er metið lágt þar sem ekki er mögulegt að bæta við notkun í vesturhluta Suðurlandskerfisins (rautt ljós á öllum afhendingarstöðum).
Með greiningum eru áhrif valkostanna á matsþætti hagkvæmni metin og er niðurstaða matsins eftirfarandi:
TAFLA 3-88 : LAE – Áhrif valkosta á hagkvæmni
Tafla 3-88 sýnir niðurstöðu mats á því hver einkenni áhrifa valkosta eru á matsþætti fyrir hagkvæmni. Eins og sést á töflunni eru áhrif allra valkosta á Truflanir og skerðingar metin miðlungs. Ástæða þess er að truflanir í Suðurlandskerfinu munu minnka talsvert við framkvæmdina óháð valkosti.
Áhrif allra valkosta á matsþáttinn Losun gróðurhúsalofttegunda eru metin töluverð og er ástæða þess sú að þeir styðja allir við rafvæðingu samgangna og fiskimjölsiðnaðar en hafa hverfandi áhrif á keyrslu varaafls í Eyjum. Áhrif allra valkosta á matsþáttinn Aukning flutningsmagns eru umtalsverð vegna þess að valkostirnir hafa allir bein áhrif á mögulega aukningu í kerfinu, afhendingargeta afhendingarstaða á svæðinu eykst úr rauðu í appelsínugult.
Niðurstaða mats á uppfyllingu markmiða
MYND 3-36 : LAE – Niðurstaða mats á uppfyllingu markmiða fyrir Valkost 1
MYND 3-37 : LAE – Niðurstaða mats á uppfyllingu markmiða fyrir Valkost 2
MYND 3-38 : LAE – Niðurstaða mats á uppfyllingu markmiða fyrir Valkost 3
Samræmi við stefnu stjórnvalda
Þar sem um byggingu tengivirkis er að ræða er ekki framkvæmt mat á því hvernig framkvæmdin samræmist stefnu stjórnvalda um lagningu raflína. Hvað varðar stefnu stjórnvalda um uppbyggingu flutningskerfis raforku samræmist verkefnið þeim lið sem fjallar um að tryggt skuli að flutningskerfið mæti þörfum fyrir aukin orkuskipti í samgöngum og haftengdri starfsemi, sem er eitt af meginmarkmiðum með verkefninu. Verkefnið samræmist einnig aðgerðaáætlun stjórnvalda í orkuskiptum, sem tiltekur að raforkuinnviðir fyrir fiskimjölsverksmiðjur skuli vera til staðar. Í Vestmannaeyjum eru fiskimjölsverksmiðjur sem geta ekki rafvæðst í núverandi kerfi en tilkoma Lækjartúns tengivirkisins mun hjálpa verulega til við þá rafvæðingu.
Umhverfisáhrif framkvæmdar
Framkvæmd er talin hafa óveruleg áhrif á umhverfisþætti. Í ákvörðun Skipulagsstofnunar, dags. 10.04.2019, kemur fram að fyrirhuguð framkvæmd sé ekki matsskyld.
Niðurstaða valkostagreiningar
Allir skoðaðir valkostir uppfylla meginmarkmið framkvæmdarinnar sem snýr að aukinni flutningsgetu inn á svæðisbundna flutningskerfið á Suðurlandi, ásamt því að styðja við orkuskipti á svæðinu. Niðurstaða kerfislegrar áhættugreiningar sýnir að bygging nýs tengivirkis við Lækjartún er sá valkostur sem kemur best út hvað varðar markmið um bættan áreiðanleika afhendingar. Á grundvelli samanburðar á tæknilegum og hagrænum þáttum er því lagt til að byggt verði 220/132 kV tengivirki í Lækjartúni með gaseinangruðum rofabúnaði. Tengingin til Hellu yrði rekin á 66 kV í byrjun eða þar til álag á svæðinu krefst spennuhækkunar. Þessi lausn kemur best út í kostnaðarsamanburði sem og í kerfislegri áhættugreiningu. Nýtt tengivirki í Lækjartúni kemur einnig betur út í tæknilegum samanburði en valkostir 2 og 3, þar sem tæknileg geta þeirrar útfærslu, og stuðningur hennar við framtíðaruppbyggingu svæðisflutningskerfisins á Suðurlandi, er afgerandi miðað við þá. Lækjartúnslausnin gefur meiri möguleika en hinar tvær m.t.t. framtíðarþróunar álags og orkuvinnslu og er að auki miðsvæðis á Suðurlandi.
Lækjartúnslína 2
Uppruni og meginmarkmið verkefnis
Uppruni verkefnisins er tvíþættur. Annars vegar er um að ræða endurnýjun á Selfosslínu 2, sem er hluti af endurnýjunaráætlun Landsnets, og hins vegar er um að ræða þörf sem skapast hefur fyrir öflugri fæðingu inn á svæðisbundna flutningskerfið á Suðurlandi vegna örari notkunaraukningar en gert hafði verið ráð fyrir og staðfest hefur verið með kerfisgreiningum. Selfosslína 2, milli Selfoss og Hellu, var tekin í notkun árið 1947 og er orðin brýn þörf á endurnýjun hennar bæði vegna aldurs og ástands og einnig vegna takmarkaðrar flutningsgetu hennar. Álag á 66 kV svæðisflutningskerfið á eystri hluta Suðurlands (þ.e. austan Þjórsár) hefur aukist mikið á síðari árum, ekki síst vegna aukinnar raforkunotkunar notenda á skerðanlegum flutningi í Vestmannaeyjum. Flutningsgeta einstakra hluta kerfisins er orðin takmarkandi þáttur og að auki fara spennuvandamál vaxandi. Þörfin fyrir styrkingu kerfisins á svæðinu er því brýn og liður í að bæta þetta ástand er að endurnýja flutningsleiðir á milli Selfoss og Hvolsvallar. Sú endurnýjun mun fara fram í þremur áföngum, en búið er að ljúka fyrsta áfanga þeirrar endurnýjunar sem var lagning Hellulínu 2 milli Hellu og Hvolsvallar. Lagning Lækjartúnslínu 2 er áfangi tvö í þeirri endurnýjun, en þriðji og síðasti áfanginn er endurnýjun þess hluta Selfosslínu 2 á milli Selfoss og Lækjartúns.Meginmarkmið verkefnis eru að auka flutningsgetu inn á svæðisbundna flutningskerfið á Suðurlandi og auka áreiðanleika afhendingar á svæðinu.
Framlagður aðalvalkostur
Verkefnið snýr að lagningu nýs 132 kV jarðstrengs, um 16 km og mun bera heitið Lækjartúnslína 2 (LT2). Jarðstrengurinn mun liggja frá nýju tengivirki við Lækjartún að tengivirki á Hellu.Rökstuðningur fyrir aðalvalkosti
Sá valkostur sem best uppfyllir meginmarkmið framkvæmdarinnar ásamt markmiðum raforkulaga og stefnu stjórnvalda um uppbyggingu flutningskerfisins hefur verið valinn sem framlagður valkostur í framkvæmdaáætlun.TAFLA 3-89 : LT2 – Rökstuðningur verkefnis
Tafla 3-89 inniheldur mat á því hvernig framkvæmdin er talin uppfylla þau markmið sem sett eru fram í raforkulögum ásamt stefnu stjórnvalda um uppbyggingu flutningskerfis raforku. Aðalvalkostur er talinn uppfylla markmið framkvæmdarinnar um aukna orkuafhendingu inn á Suðurlandskerfið ásamt því að auka afhendingaröryggi á svæðinu. Mat á því hvernig framkvæmdin uppfyllir markmið raforkulaga má sjá á Mynd 3-40 og mat á samræmi við stefnu stjórnvalda í töflum Tafla 3-104 og Tafla 3-105.
Lýsing á framkvæmd
Verkefnið felur í sér lagningu nýs 15,5 km 132 kV jarðstrengs milli Lækjartúns og Hellu. Jarðstrengur verður samsettur úr þremur aðskildum einleiðarastrengjum sem lagðir eru í þríhyrningsuppröðun í strengsand sem er með viðunandi varmaleiðni. Uppgrafið efni verður notað sem yfirfylling, en ónothæft efni fjarlægt. Yfir streng verður lagður hlífðarborði og strengir merktir með viðvörunarborðum neðan yfirborðs og stikum á yfirborði. Meðfram strengjunum verður lagt ídráttarrör fyrir ljósleiðara (fjarskiptarör). Sérútfærslur í þverunum verða flestar gerðar með ídrætti í rör. Öllu yfirborði verður skilað eins líku og mögulegt er eins og það var fyrir framkvæmdir.
Raflína
TAFLA 3-90 : LT2 – Lýsing framkvæmdar
Einlínumynd verkefnis
MYND 3-39. LT2 – Einlínumynd með lækjartúnslínu 2
Mynd 3-39 sýnir einlínumynd af svæðisflutningskerfinu á Suðurlandi með Lækjartúnslínu 2 milli Lækjartúns og Hellu.
Fjárhagslegar upplýsingar um aðalvalkost
TAFLA 3-91 : LT2 – Fjárhagslegar upplýsingar
Tímaáætlun
Gert er ráð fyrir að framkvæmdir hefjist á seinni hluta árs 2020 og að þeim ljúki seinni hluta ársins 2021.
Valkostagreining
Alls voru teknir tveir meginvalkostir til skoðunar vegna tengingar Lækjartúnslínu 2 milli Lækjartúns og Hellu. Auk aðalvalkosts var skoðaður sá möguleiki að leggja 66 kV jarðstreng sömu leið.TAFLA 3-92 : LT2 – Lýsing valkosta
Fjárhagslegur samanburður valkosta
TAFLA 3-93 : LT2 – Fjárhagslegur samanburður valkosta
Markmið raforkulaga
Öryggi
Lagt hefur verið mat á það hvernig valkosturinn uppfyllir markmið um öryggi. Sem liður í matinu hefur grunnástand öryggis verið metið fyrir alla matsþætti sem ná yfir öryggi.
TAFLA 3-94 : LT2 – Mat á grunnástandi matsþátta fyrir öryggi
Tafla 3-94 sýnir niðurstöðu mats á grunnástandi matsþátta sem ná yfir öryggi. Grunnástand Tvítengingar afhendingarstaða er metið í næsthæsta flokki sökum þess að Hella tengist nú þegar flutningskerfinu með tveimur tengingum. Ástæða þess að það er ekki metið í hæsta flokki er tak-mörkuð flutningsgeta spenna í Búrfelli sem valda flutningstakmörkunum í truflanatilfellum. Það er einnig ástæða þess að grunnástand Stöðugleika er metið í næstlægsta flokki, en útleysing á einni einingu í kerfinu getur valdið talsverðum óstöðugleika sem getur komið af stað keðjuverkandi útleysingum á svæðinu. Matsþátturinn Náttúruvá er metinn lágur þar sem Hvolsvallarlína 1 (HV1) liggur yfir áhrifasvæði Heklugoss skv. korti frá Veðurstofu Íslands en HV1 er mjög mikilvæg fyrir kerfið á Suðurlandi.
Með greiningum eru áhrif skoðaðra valkosta á matsþætti öryggis metin og er niðurstaða matsins eftirfarandi:
TAFLA 3-95 : LT2 – Mat á einkennum áhrifa valkosta á öryggi
Tafla 3-95 sýnir niðurstöðu mats á því hver einkenni áhrifa skoðaðra valkosta eru á matsþætti fyrir öryggi. Eins og sést á töflunni eru áhrif valkostsins á Tvítengingu afhendingarstaða metin í hæsta lagi. Ástæður þess eru þær að ný flutningsleið bætist við inn á svæðið í báðum valkostum. Stöðugleiki mun einnig aukast talsvert við framkvæmdina í báðum valkostum sökum þess að líkur á útleysingum vegna yfirálags munu minnka sem minnkar líkurnar á keðjuverkandi útleysingum á svæðinu. Áhrif valkosta á Náttúruvá eru metin hátt fyrir valkostina þar sem ný virki eru fyrir utan áhrifasvæði Heklu.
Áreiðanleiki afhendingar
Lagt hefur verið mat á það hvernig skoðaðir valkostir uppfylla markmið um áreiðanleika afhendingar. Grunnástand hefur verið metið fyrir alla matsþætti sem ná yfir áreiðanleika afhendingar.
TAFLA 3-96 : LT2 – Mat á grunnástandi matsþátta fyrir áreiðanleika afhendingar
Tafla 3-96 sýnir niðurstöðu mats á grunnástandi matsþátta sem ná yfir áreiðanleika afhendingar. Grunnástand fyrir Flöskuhálsa er metið í næstlægsta flokki vegna flutningstakmarkana í skertu kerfi. Grunnástand fyrir Ótiltæki er einnig metið í næstlægsta flokki þar sem ótiltæki eininga kallar á skerðingar. Grunnástand fyrir Áreiðanleikastuðla er hins vegar metið nokkuð hátt þar sem truflanir hafa hingað til eingöngu valdið skerðingum á skerðanlegum flutningi.
Með greiningum eru áhrif valkostanna á matsþætti áreiðanleika afhendingar metin og er niðurstaða matsins eftirfarandi:
TAFLA 3-97 : LT2 – Mat á einkennum áhrifa valkosta áreiðanleika afhendingar
Tafla 3-97 sýnir niðurstöðu mats á því hver einkenni áhrifa valkosta eru á matsþætti fyrir áreiðanleika afhendingar. Áhrif beggja valkosta á Flöskuhálsa eru metin talsverð, þar sem nýr innmötunarstaður úr 220 kV kerfinu mun auka verulega aflgetu inn á svæðið. Áhrif á Ótiltæki er lítið í valkostum 1 og 2 þar sem mikilvægur spennir bætist við með háan ótiltækistuðul en jarðstrengir vega upp á móti honum. Áhrif beggja valkosta á Áreiðanleikastuðla eru ekki mælanleg og því metin vera lítil.
Gæði raforku
Lagt hefur verið mat á það hvernig valkostir uppfylla markmið um gæði raforku. Grunnástand öryggis hefur verið metið fyrir alla matsþætti sem ná yfir gæði raforku.
TAFLA 3-98 : LT2 – Mat á grunnástandi matsþátta fyrir gæði raforku
Tafla 3-98 sýnir niðurstöðu mats á grunnástandi allra matsþátta sem ná yfir gæði raforku. Grunnástand fyrir Kerfisstyrk er skoðað fyrir Hellu en það er metið frekar lágt. Grunnástand fyrir matsþáttinn Spennusveiflur/spennuþrep er metið hátt þar sem mælt spennuþrep er vel innan marka. Fyrir Afhendingarspennu/vikmörk er grunnástandið metið hátt og er ástæða þess sú að rekstrarspenna er á milli 1 og 1,05 pu á afhendingarstöðum á svæðinu.
Með greiningum eru áhrif uppstilltra valkosta á matsþætti gæða raforku metin og er niðurstaða matsins eftirfarandi:
TAFLA 3-99 : LT2 – Mat á einkennum áhrifa valkosta á gæði raforku
Tafla 3-99 sýnir niðurstöðu mats á því hver einkenni áhrifa valkosta eru á þá matsþætti sem notaðir eru til að mæla uppfyllingu markmiðs raforkulaga um gæði raforku. Eins og sést á töflunni eru áhrif valkosta 1 og 2 á Kerfisstyrk metin há þar sem skammhlaupsaflið á Hellu rúmlega tvöfaldast en fyrir valkost 2 hækkar það minna en fyrir valkost 1. Áhrif allra valkosta á Spennusveiflur/spennuþrep og Afhendingarspennu/vikmörk eru metin lítil þar sem grunnástandið fyrir þessi atriði voru mæld innan marka og valkostirnir breyta ástandinu á því lítið.
Skilvirkni
Lagt hefur verið mat á það hvernig valkosturinn uppfyllir markmið um skilvirkni. Grunnástand hefur verið metið fyrir alla matsþætti sem ná yfir skilvirkni.
TAFLA 3-100 : LT2 – Mat á grunnástandi matsþátta fyrir skilvirkni
Tafla 3-100 sýnir niðurstöðu mats á grunnástandi allra matsþátta sem ná yfir skilvirkni. Eins og sést á töflunni er grunnástand Flutningstapa metið lágt. Flutningstöp voru reiknuð í núverandi 66 kV kerfi (FU1, HV1, HE1 og HE2) og voru þau rúmlega fjórföld meðaltöp kerfisins alls. Grunnástand fyrir Flutningsgetu er metið lítið þar sem ekki er möguleiki á neinni flutningsaukningu á svæðinu. Grunnástand fyrir Nýtingu virkjana er metið sem nokkuð lágt af þeirri ástæðu að flutningskerfið takmarkar ekki keyrslu núverandi virkjana á áhrifasvæði framkvæmdarinnar, en aftur á móti eru möguleikar á tengingum nýrra virkjanakosta á svæðinu takmarkaðir.
Með greiningum eru áhrif valkostanna á matsþætti skilvirkni metin og er niðurstaða matsins eftirfarandi:
TAFLA 3-101 : LT2 – Mat á einkennum áhrifa valkosta á skilvirkni
Tafla 3-101 sýnir niðurstöðu mats á því hver einkenni áhrifa valkosta eru á matsþætti fyrir skilvirkni. Eins og sést á töflunni eru áhrif valkosta á Flutningstöp metin jafngóð þar sem báðir valkostir minnka töpin niður fyrir meðaltöp kerfis. Áhrif beggja valkosta á Flutningsgetu eru metin mikil þar sem flutningsgetan inn á svæðið eykst um helming, þó aðeins meira fyrir valkost 1 en 2. Áhrif valkostanna á matsþáttinn Nýtingu virkjana eru einnig metin sambærileg vegna þess að með framkvæmdinni mun myndast töluvert svigrúm fyrir nýja orkuvinnslu á svæðinu, þó aðeins meira fyrir valkost 1 en 2.
Hagkvæmni
Til að leggja mat á hagkvæmni framkvæmdarinnar hefur verið lagt mat á það hvernig valkosturinn uppfyllir markmið um hagkvæmni. Liður í því er að meta grunnástand þeirra matsþátta sem notaðir eru fyrir mat á uppfyllingu markmiðs um hagkvæmni.
TAFLA 3-102 : LT2 – Mat á grunnástandi matsþátta fyrir hagkvæmni
Tafla 3-102 sýnir niðurstöðu mats á grunnástandi matsþátta sem notaðir eru sem mælikvarðar fyrir markmið um hagkvæmni. Eins og sést á töflunni er grunnástand fyrir matsþáttinn Truflanir og skerðingar metið lágt. Ástæða þess er að tíðar skerðingar eru á Suðurlandi í núverandi kerfi vegna bilana og yfirlestana. Árlegur START-kostnaður svæðisins er metinn í kringum 25 milljónir króna. Grunnástand fyrir Losun gróðurhúsalofttegunda er einnig metið lágt vegna keyrslu varaafls í Vestmannaeyjum. Full rafvæðing fiskimjölsiðnaðar er ómöguleg í núverandi kerfi og illmögulegt að rafvæða Herjólf. Grunnástand fyrir matsþáttinn Aukning flutningsmagns er metið lágt þar sem ekki er mögulegt að bæta við notkun í vesturhluta Suðurlandskerfisins (rautt ljós á öllum afhendingarstöðum).
Með greiningum eru áhrif valkostanna á matsþætti hagkvæmni metin og er niðurstaða matsins eftirfarandi:
TAFLA 3-103 : LT2 – Mat á einkennum áhrifa valkosta á hagkvæmni
Tafla 3-103 sýnir niðurstöðu mats á því hver einkenni áhrifa valkosta eru á matsþætti fyrir hagkvæmni. Eins og sést á töflunni eru áhrif beggja valkosta á Truflanir og skerðingar metin miðlungs. Ástæða þess er að truflanir í Suðurlandskerfinu munu minnka talsvert við framkvæmdina óháð valkosti.
Áhrif valkosta á matsþáttinn Losun gróðurhúsalofttegunda eru metin töluverð og er ástæða þess að þeir styðja báðir við rafvæðingu samgangna og fiskimjölsiðnaðar, en hafa hverfandi áhrif á keyrslu varaafls í Eyjum. Áhrif allra valkosta á matsþáttinn Aukning flutningsmagns eru umtalsverð vegna þess að báðir valkostirnir hafa bein áhrif á mögulega aukningu í kerfinu, afhendingargeta afhendingarstaða á svæðinu eykst úr rauðu í appelsínugult. Valkostur 1 hefur þó örlítið meira svigrúm en valkostur 2.
Niðurstaða mats á uppfyllingu markmiða
MYND 3-40 : LT2 – Niðurstaða mats á uppfyllingu markmiða fyrir valkost 1
MYND 3-41 : LT2 – Niðurstaða mats á uppfyllingu markmiða fyrir valkost 2
Samræmi við stefnu stjórnvalda um línutegund
TAFLA 3-104 : LT2 – Samræmi við stefnu um línugerð
Tafla 3-104 sýnir mat á því hvernig framkvæmdin samræmist stefnu stjórnvalda um línugerð. Raflínan er hluti af svæðisbundna flutningskerfinu á Suðurlandi og samkvæmt stefnunni á að meta jarðstrengslagnir í slíkum tilfellum. Skv. kostnaðarviðmiði í stefnunni á að leggja jarðstreng ef kostnaður við jarðstreng er undir tvisvar sinnum kostnaði við sambærilega loftlínu. Samkvæmt verðbönkum Landsnets er kostnaður við 132 kV loftlínu 751 milljón og kostnaður við 66 kV loftlínu er 645 milljónir. Samkvæmt samanburði á kostnaðarmati eru báðir valkostir því í fullu samræmi við stefnu um línugerð og falla undir kostnaðarviðmið sem sett er í stefnunni.
Samræmi við almenn atriði í stefnu stjórnvalda
Metið var hvernig framkvæmdin samræmist við almenn atriði sem tilgreind eru í stefnu stjórnvalda um uppbyggingu flutningskerfis. Greiningin er sameiginleg fyrir báða valkosti, þar sem enginn munur er á framkvæmdinni eftir valkostum, nema spennustig á strengnum.
TAFLA 3-105 : LT2 – Samræmi við almenn atriði í stefnu stjórnvalda
Tafla 3-105 sýnir niðurstöðu mats á því hvernig framkvæmdin samræmist almennum atriðum í stefnu stjórnvalda um uppbyggingu flutningskerfisins. Niðurstaða er að framkvæmdin hefur verulega jákvæð áhrif á flest almenn atriði sem tilgreind eru í stefnu um uppbyggingu flutningskerfisins. Af þessu má draga þá ályktun að framkvæmdin sé í fullu samræmi við stefnu stjórnvalda um lagningu raflína og í samræmi við almenn atriði skv. stefnu um uppbyggingu flutningskerfisins. Verkefnið samræmist einnig aðgerðaáætlun stjórnvalda í orkuskiptum, sem tiltekur að raforkuinnviðir fyrir fiskimjölsverksmiðjur skuli vera til staðar. Í Vestmannaeyjum eru fiskimjölsverksmiðjur sem geta ekki rafvæðst að fullu í núverandi kerfi en tilkoma Lækjartúnslínu 2, ásamt nýjum afhendingarstað í Lækjartúni, mun hjálpa verulega til við þá rafvæðingu.
Umhverfisáhrif framkvæmdar
Framkvæmd er talin hafa óveruleg áhrif á umhverfisþætti. Í ákvörðun Skipulagsstofnunar, dags. 10.04.2019, kemur fram að fyrirhuguð framkvæmd sé ekki matsskyld.
Niðurstaða valkostagreiningar
Metið hefur verið hvernig tveir valkostir uppfylla markmið framkvæmdarinnar. Á grundvelli samanburðar á tæknilegum og hagrænum þáttum er lagt til að lagður verði nýr jarðstrengur frá nýju tengivirki í Lækjartúni og út í Hellu. Lagt er til að jarðstrengurinn verði lagður sem 132 kV jarðstrengur. Tengingin til Hellu yrði rekin á 66 kV í byrjun eða þar til álag á svæðinu krefst spennuhækkunar. Þessi lausn kemur betur út fyrir matsþættina hagkvæmni, skilvirkni sem og fyrir gæði raforku.
Korpulína 1 - endurnýjun
Verkefnið snýr að strenglagningu línu í meginflutningskerfinu á höfuðborgarsvæðinu, en Reykjavíkurborg hefur óskað eftir því að Landsnet kanni möguleikann á því að setja Korpulínu 1 í jarðstreng þar sem byggðin hefur þróast á þann veg að hún er komin alveg upp að línunni.
Uppruni og meginmarkmið verkefnis
Uppruni verkefnisins er í endurnýjunaráætlun Landsnets, en línan er langt komin með líftíma sinn og því þarf að huga að endurnýjun á henni. Eftir viðræður á milli Reykjavíkurborgar og Landsnets um tilfærslu Korpulínu 1 og strenglagningu línunnar, m.a. innan fyrirhugaðs kirkjugarðs, hefur verkefnið verið sett á framkvæmdaáætlun. Í Aðalskipulagi Reykjavíkur 2010-2030 er gert ráð fyrir að hliðra línunni til suðurs fyrir landmótun vegna kirkjugarðs í hlíðum Úlfarsfells og leggja línuna sem jarðstreng..
Línan liggur að hluta til innan skilgreinds þéttbýlis, sbr. skilgreiningu á þéttbýli í 2. gr. skipulagslaga, nr. 123/2010.
Meginmarkmið verkefnisins eru að tryggja áframhaldandi rekstraröryggi Korpulínu 1 sem er kerfislega mikilvæg fyrir orkufæðingu höfuðborgarsvæðisins og að tryggja samræmi við þróun skipulags á höfuðborgarsvæðinu.
Upprunaleg afgreiðsla verkefnis og breyting á umfangi
Verkefnið var afgreitt með samþykkt kerfisáætlunar 2018-2027. Í þeirri kerfisáætlun stóð til að framkvæmdir við verkefnið myndu hefjast á árinu 2019. Nú er orðið ljóst að undirbúningur verkefnisins mun taka lengri tíma en til stóð upphaflega og að framkvæmdir munu hefjast á árinu 2020. Einnig hefur umfang verkefnisins breyst, en ákveðið hefur verið að fara í framkvæmdir á valkosti 2, en ekki valkosti 1 eins og fram kom í kerfisáætlun 2018-2027. Í nýjum aðalvalkosti verður lagður strengur alla leið frá Korpu út í Geitháls í stað þess að skipta framkvæmdinni upp í tvo áfanga eins og valkostur 1 sagði til um. Með því nást fram samlegðaráhrif en heildarkostnaðurinn er um 100 mkr. lægri með því að taka verkið í einni samfellu. Að auki eru taldar líkur á því samkvæmt Raforkuspá að árið 2025 gæti álag á gamla loftlínuhlutann farið yfir flutningsmörk.
Umfang verkefnis
Skoðaðir voru tveir valkostir um mögulega línuleið fyrir lagningu Korpulínu 1 í jarðstreng og þeir metnir eftir markmiðum raforkulaga og m.t.t. stefnu stjórnvalda uppbyggingu flutningskerfisins og stefnu um lagningu raflína.
Rökstuðningur verkefnis
Sá valkostur sem best uppfyllir markmið raforkulaga og stefnu stjórnvalda um uppbyggingu flutningskerfisins og stefnu um lagningu raflína hefur verið valinn sem framlagður valkostur í framkvæmdaáætlun.
TAFLA 3-106 : KO1 – Rökstuðningur verkefnis
Tafla 3-106 sýnir niðurstöðu mats á því hvernig verkefnið uppfyllir markmið raforkulaga, samkvæmt mælikvarða sem lýst er hér, og mat á því hvort verkefnið sé í samræmi við stefnur stjórnvalda. Einnig inniheldur hún fjárhagslegar upplýsingar um verkefnið. Matinu ásamt niðurstöðu valkostagreiningar er lýst nánar í töflum 3-108, 3-111 og 3-112.
Lýsing á framkvæmd
Verkefnið felst í að leggja Korpulínu 1 í jarðstreng frá tengivirkinu á Geithálsi að núverandi strengendavirki við Korpu, alls 6,7 km.
Raflína
TAFLA 3-107 : KO1 – Lýsing framkvæmdar, raflína
Einlínumynd verkefnis
MYND 3 42 : Einlínumynd Korpulínu 1
Mynd 3-42 sýnir einlínumynd af Korpulínu 1.
Fjárhagslegar upplýsingar um aðalvalkost
TAFLA 3-108 : KO1 – Fjárhagslegar upplýsingar
Korpulína 1 er hluti af meginflutningskerfinu og því hefur framkvæmdin áhrif á gjaldskrá bæði fyrir dreifiveitur og stórnotendur. Heildarkostnaður við verkefnið er áætlaður 343 milljónir króna.
Tímaáætlun
Gert er ráð fyrir að framkvæmdir hefjist 2020 og að þeim ljúki sama ár.
Valkostagreining
Alls voru teknir tveir meginvalkostir til skoðunar. Þeir eru metnir á grundvelli þeirra markmiða sem getið er í raforkulögum og skv. stefnu stjórnvalda um lagningu raflínu og grófu mati á umhverfisáhrifum valkosta. Um er að ræða mat á áætlunarstigi en nákvæmara mat á umhverfisáhrifum verður unnið í framkvæmdamati verkefnisins, sem byggir á sértækari rannsóknum á grunnaástandi og mögulegum áhrifum.TAFLA 3-109 : KO1 - LÝSING VALKOSTA
Fjárhagslegur samanburður valkosta
TAFLA 3 110 : KO1 - VALKOSTIR, FJÁRHAGSLEGAR UPPLÝSINGAR
Tafla 3-110 inniheldur fjárhagslegar upplýsingar um valkosti við endurnýjun Korpulínu 1. Niðurstöðurnar ber að túlka m.t.t. fyrirvara sem lýst er í kafla 3.2.
Markmið raforkulaga
Framkvæmt var mat á því hvernig áhrif framkvæmdarinnar eru á markmið raforkulaga.
MYND 3-43 : KORPULÍNA 1 – NIÐURSTAÐA MATS Á UPPFYLLINGU MARKMIÐA FYRIR VALKOST 1
MYND 3-44 : KORPULÍNA 1 – NIÐURSTAÐA MATS Á UPPFYLLINGU MARKMIÐA FYRIR VALKOST 2
Myndirnar sýnir niðurstöðu mats á því hvernig framkvæmdin uppfyllir markmið raforkulaga. Framkvæmdin er ekki talin hafa nein teljandi áhrif á markmið raforkulaga eins og sést á myndunum.
Áhrif framkvæmdar á flutningstöp
Áhrif á flutningstöp eru óveruleg þar sem verið er að skipta út loftlínu fyrir jarðstreng á sama spennustigi og svipaðri lengd.
Samræmi við stefnu stjórnvalda um línugerð
TAFLA 3-111 : KO1 – Samræmi við stefnu um línugerð
Til að bera saman kostnað við jarðstrengslagnir var framkvæmt verðmat á sambærilegum 132 kV loftlínum.
Kostnaður við 6 km loftlínu er 336 milljónir króna.
Kostnaðarviðmið vegna jarðstrengslagna er ekki í gildi þar sem um þéttbýli er að ræða.
Verðið eru fengið úr verðbanka Landsnets og miðast við gengi evru 135 krónur og gengi Bandaríkjadollara 121 krónur.
Samræmi við almenn atriði í stefnu stjórnvalda
TAFLA 3-112 : KO1 – Samræmi við almenn atriði í stefnu
Matið sýnir að framkvæmdin er í fullu samræmi við almenn atriði í stefnu stjórnvalda um uppbyggingu flutningskerfisins.
Umhverfisáhrif framkvæmdar
Umhverfisáhrif eru talin óveruleg, þar sem framkvæmd mun fylgja vegstæði og fara ekki um verndarsvæði. Framkvæmdin fellur ekki undir lög um mat á umhverfisáhrifum ef hún liggur ekki um verndarsvæði.
Niðurstaða valkostagreiningar
Alls hafa tveir valkostir verið skoðaðir þar sem tekið er mið af markmiðum raforkulaga og stefnu stjórnvalda uppbyggingu flutningskerfisins og stefnu um lagningu raflína. Valkostunum hefur verið stillt upp og borið saman hvernig þeir uppfylla nefnd markmið og mat á einstökum þáttum útskýrt.
Það er því niðurstaða valkostagreiningarinnar að valkosturinn að leggja Korpulínu 1 að öllu leyti sem jarðstreng um 6,7 km leið sé hagkvæmari lausn til lengri tíma litið, heldur en að leggja hluta línunar sem jarðstreng í þessum áfanga og hinn hlutann síðar.
Rauðavatnslína 1 - endurnýjun
Tilurð og meginmarkmið verkefnis
Verkefnið kemur frá greiningum á svæðisbundna flutningskerfinu á höfuðborgarsvæðinu, en kerfisgreiningar hafa sýnt fram á þörfina fyrir aukna flutningsgetu á milli Geitháls og A12, vegna vaxandi notkunar á höfuðborgarsvæðinu. Flutningsgeta jarðstrengshluta línunnar er 110 MVA en flutningsgeta loftlínuhlutans er 106 MW og takmarkast því flutningsgeta línunnar við það. Kerfisgreiningar hafa sýnt fram á myndun flöskuhálsa í fæðingu raforku inn til höfuðborgarsvæðisins á næstu árum og er verkefnið liður í að koma í veg fyrir það.Verkefnið er hluti af endurnýjunaráætlun Landsnets en hluti Rauðavatnslínu 1 er 66 ára gamall og því kominn tími á endurnýjun línunnar.
Meginmarkmið verkefnisins er að tryggja áreiðanleika afhendingar raforku á höfuðborgarsvæðinu og minnka líkur á myndun flöskuhálsa.
Sú breyting hefur orðið á umfangi verkefnisins á undirbúningstímanum að nú hefur verið ákveðið að endurnýja einnig jarðstrengshluta línunnar, en frekari athugun á ástandi jarðstrengsins leiddi í ljós að ástand hans var verra en áður hafði verið áætlað. Við þetta bætist um 800 metrar af jarðstreng og hækkar það framkvæmdakostnaðinn um 30 milljónir króna. Eins hefur verið ákveðið að flýta verkefninu og hefja framkvæmdir á árinu 2020. Er það gert til að ná fram samlegðaráhrifum með framkvæmdum við Korpulínu 1, bæði í innkaupum á jarðstreng og eins vegna verktakakostnaðar.
Framlagður aðalvalkostur
Aðalvalkostur snýr að lagningu 132 kV jarðstrengs, um 2,8 km leið, og niðurrif samsvarandi loftlínu.Rökstuðningur verkefnis
Aðalvalkostur er talinn uppfylla markmið verkefnisins og að auki hefur verið framkvæmt mat á því hvernig verkefnið uppfyllir markmið raforkulaga og stefnu stjórnvalda um uppbyggingu flutningskerfisins.TAFLA 3-113 : RV1 – Rökstuðningur verkefnis
Tafla 3-113 sýnir samantekt á því hvernig aðalvalkostur er talinn uppfylla markmið raforkulaga sbr. og stefnu stjórnvalda um uppbyggingu flutningskerfis. Mat á því hvernig framkvæmdin uppfyllir markmið raforkulaga má sjá á mynd 3-55 og mat á samræmi við stefnu stjórnvalda í töflum 3-128 og 3-129 ásamt undirkaflanum niðurstaða valkostagreiningar.
Lýsing á framkvæmd
Verkefnið felst í að leggja hluta Rauðavatnslínu 1 í jarðstreng frá tengivirkinu á Geithálsi og að núverandi jarðstrengshluta, um 2 km leið.
Einlínumynd verkefnis
MYND 3-45 : RV1 – Einlínumynd
Raflína
TAFLA 3-114 : RV1 – Lýsing framkvæmdar
Búnaður til launaflsútjöfnunar
Ekki er þörf á launaflsútjöfnun vegna strenglagningarinnar.
Fjárhagslegar upplýsingar um aðalvalkost
TAFLA 3-115 : RV1 – Fjárhagslegar upplýsingar
Tímaáætlun
Áætlað er að framkvæmdir hefjist seinni hluta ársins 2020 og línan verði spennusett sumarið eftir. Lokafrágangi eftir framkvæmdir mun ljúka í byrjun árs 2021.
Valkostagreining
Alls voru teknir tveir valkostir til skoðunar vegna endurnýjunar á loftlíuhluta Rauðavatnslínu 1. Auk aðalvalkosts var skoðaður sá möguleiki að endurbyggja loftlínuna með flutningsmeiri leiðara.TAFLA 3-116 : RV1 - Lýsing valkosta
Fjárhagslegur samanburður valkosta
TAFLA 3-117 : RV1 – Fjárhagslegur samanburður valkosta
Markmið raforkulaga
Öryggi
Lagt hefur verið mat á það hvernig valkosturinn uppfyllir markmið um öryggi. Sem liður í matinu hefur grunnástand öryggis verið metið fyrir alla matsþætti sem ná yfir öryggi.
TAFLA 3-118 : RV1 – Mat á grunnástandi matsþátta fyrir öryggi
Tafla 3-118 sýnir niðurstöðu mats á grunnástandi matsþátta sem ná yfir öryggi. Grunnástand Tvítengingar afhendingarstaða er metið í næst hæsta flokki sökum þess að höfuðborgarsvæðið tengist meginflutningskerfinu með nokkrum tengingum. Ástæða þess að það er ekki metið í hæsta flokki er takmörkuð flutningsgeta RV1 sem getur ekki tekið við álagi af truflanatilfellum. Það er einnig ástæða þess að grunnástand Stöðugleika er metið í næstlægsta flokki, en útleysing fæðingar inn á höfuðborgarsvæðið getur valdið talsverðum óstöðugleika sem getur komið af stað keðjuverkandi útleysingum á svæðinu. Matsþátturinn Náttúruvá er ekki metinn fyrir svæðisbundna flutningskerfið á höfuðborgarsvæðinu.
Með greiningum eru áhrif skoðaðra valkosta á matsþætti öryggis metin og er niðurstaða matsins eftirfarandi:
TAFLA 3-119 : RV1 – Mat á einkennum áhrifa valkosta á öryggi
Tafla 3-119 sýnir niðurstöðu mats á því hver einkenni áhrifa skoðaðra valkosta eru á matsþætti fyrir öryggi. Eins og sést á töflunni eru áhrif valkostanna á Tvítengingu afhendingarstaða metin í meðallagi. Ástæður þess er að ekki bætist við ný flutningsleið, heldur mun flutningsgeta núverandi tengingar aukast sem er talið auka afhendingaröryggi á svæðinu. Stöðugleiki mun einnig aukast talsvert við framkvæmdina sökum þess að líkur á útleysingum vegna yfirálags munu minnka sem minnkar líkurnar á keðjuverkandi útleysingum á svæðinu. Ekki er gerður greinarmunur á jarðstreng og loftlínu í mati á þáttum sem snúa að öryggi.
Áreiðanleiki afhendingar
Lagt hefur verið mat á það hvernig skoðaðir valkostir uppfylla markmið um áreiðanleika afhendingar. Grunnástand hefur verið metið fyrir alla matsþætti sem ná yfir áreiðanleika afhendingar.
TAFLA 3-120 : RV1 – Mat á grunnástandi matsþátta fyrir áreiðanleika afhendingar
Tafla 3-120 sýnir niðurstöðu mats á grunnástandi matsþátta sem ná yfir áreiðanleika afhendingar. Grunnástand fyrir Flöskuhálsa er metið lágt vegna takmarkandi flutningsgetu loftlínuhluta Rauðavatnslínu 1. Grunnástand fyrir Ótiltæki og Áreiðanleikastuðla er hins vegar metið hátt þar sem truflanir á línunni eru fátíðar og hafa ekki valdið skerðingum á orkuafhendingu.
Með greiningum eru áhrif valkostanna á matsþætti áreiðanleika afhendingar metin og er niðurstaða matsins eftirfarandi:
TAFLA 3-121 : RV1 – Mat á einkennum áhrifa valkosta áreiðanleika afhendingar
Tafla 3-121 sýnir niðurstöðu mats á því hver einkenni áhrifa valkosta eru á matsþætti fyrir áreiðanleika afhendingar. Áhrif beggja valkosta á Flöskuhálsa eru metin talsverð, þar sem flutningsgeta línunnar mun næstum tvöfaldast við framkvæmdina. Áhrif á Ótiltæki eru metin hverfandi á loftlínukost og frekar lítil á jarðstrengskost þar sem líkur á truflunum eru minni en á loftlínu. Áhrif beggja valkosta á Áreiðanleikastuðla eru ekki mælanleg og því metin vera lítil.
Gæði raforku
Lagt hefur verið mat á það hvernig valkostir uppfylla markmið um gæði raforku. Grunnástand öryggis hefur verið metið fyrir matsþætti sem notaðir eru til að mæla uppfyllingu gæða raforku.
TAFLA 3-122 : RV1 – Mat á grunnástandi matsþátta fyrir gæði raforku
Tafla 3-122 sýnir niðurstöðu mats á grunnástandi allra matsþátta sem ná yfir gæði raforku. Grunnástand fyrir kerfisstyrk er mikið, þar sem línan tengist í kerfislega sterkan punkt á Geithálsi. Af sömu ástæðu er grunnástand fyrir Spennusveiflur/spennuþrep og Afhendingarspennu/vikmörk metið hátt.
Með greiningum eru áhrif uppstilltra valkosta á matsþætti gæða raforku metin og er niðurstaða matsins eftirfarandi:
TAFLA 3-123 : RV1 – Mat á einkennum áhrifa valkosta á gæði raforku
Tafla 3-123 sýnir niðurstöðu mats á því hver einkenni áhrifa valkosta eru á matsþætti fyrir gæði raforku. Eins og sést á töflunni eru áhrif valkostanna á Kerfisstyrk, Spennusveiflur/spennuþrep og Afhendingarspennu/vikmörk lítil, en sökum stuttrar vegalengdar eru áhrif minna viðnáms nýrrar línu hverfandi á skammhlaupsafl á svæðinu.
Skilvirkni
Lagt hefur verið mat á það hvernig valkosturinn uppfyllir markmið um skilvirkni. Grunnástand hefur verið metið fyrir alla matsþætti sem ná yfir skilvirkni.
TAFLA 3-124 : RV1 – Mat á grunnástandi matsþátta fyrir skilvirkni
Tafla 3-124 sýnir niðurstöðu mats á grunnástandi matsþátta sem ná yfir skilvirkni. Eins og sést í töflunni er grunnástand Flutningstapa metið miðlungs þar sem þau eru aðeins yfir meðalflutningstöpum kerfisins. Varðandi Flutningsgetu er hún metin lág sökum þeirra flutningstakmarkana sem loftlínuhluti línunnar orsakar. Grunnástand fyrir Nýtingu virkjana er ekki metið fyrir Rauðavatnslínu 1, þar sem línan hefur lítil sem engin áhrif á þann matsþátt.
Með greiningum eru áhrif valkostanna á matsþætti skilvirkni metin og er niðurstaða matsins eftirfarandi:
TAFLA 3-125 : RV1 – Mat á einkennum áhrifa valkosta á skilvirkni
Tafla 3-125 sýnir niðurstöðu mats á því hver einkenni áhrifa valkosta eru á matsþætti fyrir skilvirkni. Eins og sést á töflunni eru áhrif valkosta á Flutningstöp metin mikil í valkosti 1 en talsverð í valkosti 2. Ástæða mismunandi mats er sú að lægri flutningstöp eru í jarðstrengnum en í loftlínukostinum. Áhrif valkostsins á Flutningsgetu eru metin mikil, en ástæða þess er sú að í báðum valkostum mun flutningsgeta á línuleiðinni aukast um 80% frá því sem nú er. Áhrif valkosta á matsþáttinn Nýtingu virkjana eiga ekki við þessa framkvæmd og eru því metin lág.
Hagkvæmni
Lagt hefur verið mat á það hvernig valkosturinn uppfyllir markmið um hagkvæmni. Grunnástand hefur verið metið fyrir alla matsþætti sem ná yfir hagkvæmni.
TAFLA 3-126 : RV1 – Mat á grunnástandi matsþátta fyrir hagkvæmni
Tafla 3-126 sýnir niðurstöðu mats á grunnástandi allra matsþátta sem ná yfir hagkvæmni. Eins og sést á töflunni er grunnástand fyrir matsþáttinn Truflanir og skerðingar metið hátt. Ástæða þess er sú að truflanir á línunni hafa ekki valdið straumleysi á höfuðborgarsvæðinu. Grunnástand fyrir Losun gróðurhúsalofttegunda er metið talsvert hátt og er ástæða þess að það er ekki í hæsta flokki sú að núverandi fæðingar inn til höfuðborgarinnar eru ekki nægilega sterkar til að anna orkuskiptum í samgöngum yfir athugunartíma verkefnisins. Takmörkuð flutningsgeta RV1 er hluti af vandamálinu. Grunnástand fyrir matsþáttinn Aukning flutningsmagns er metið nokkuð lágt og er ástæða þess sú að ekki mögulegt að bæta við stórnotkun (fjólublá ljós).
Með greiningum eru áhrif valkostanna á matsþætti hagkvæmni metin og er niðurstaða matsins eftirfarandi:
TAFLA 3-127 : RV1 – Mat á einkennum áhrifa valkosta á hagkvæmni
Tafla 3-127 sýnir niðurstöðu mats á því hver einkenni áhrifa valkosta eru á matsþætti fyrir hagkvæmni. Eins og sést á töflunni eru áhrif valkostanna á Truflanir og skerðingar metin lág þar sem grunnástandið er þegar hátt og hafa valkostirnir lítil áhrif. Áhrif valkostanna á matsþáttinn Losun gróðurhúsalofttegunda eru metin talsverð þar sem flutningsgeta eykst sem eykur svigrúm til orkuskipta í samgöngum. Áhrif valkosta á matsþáttinn Aukning flutningsmagns eru meðal þess þar sem verkefnið er liður í að styrkja fæðingu inn til höfuðborgarinnar en leysir ekki vandamálið eitt og sér.
Niðurstaða mats á uppfyllingu markmiða
MYND 3-46 : RV1 – Mat á því hvernig valkostur 1 uppfyllir markmið raforkulaga
MYND 3-47 : RV1 – Mat á því hvernig valkostur 2 uppfyllir markmið raforkulaga
Mynd 3-46 sýnir hvernig valkostur 1 uppfyllir raforkulög og mynd 3-47 hvernig valkostur 2 gerir það. Eins og sést á myndunum þá er ekki mikill munur á áhrifum valkostanna en þó hefur valkostur 1 ívið meiri áhrif á skilvirkni og áreiðanleika afhendingar. Báðir valkostir mælast eins fyrir öryggi, gæði raforku og hagkvæmni.
Samræmi við stefnu stjórnvalda um línugerð
TAFLA 3-128 : RV1 – Samanburður á því hvernig valkostir samræmast stefnu um línugerð
Tafla 3-128 sýnir niðurstöðu mats á því hvernig valkostir samræmast stefnu stjórnvalda um línugerð. Línan telst vera í landshlutakerfi raforku og á samkvæmt því að meta sem jarðstreng. Línan er einnig innan þéttbýlismarka og því á kostnaðarviðmið ekki við. Kostnaðarhlutfall er engu að síður undir tvisvar sinnum því sem loftlína með sambærilega flutningsgetu kostar á þessu svæði og því er jarðstrengslögn metin svo að hún sé í fullu samræmi við stefnu stjórnvalda um línugerð.
Samræmi við almenn atriði í stefnu stjórnvalda
TAFLA 3-129 : RV1 – Samræmi við almenn atriði í stefnu stjórnvalda
Umhverfisáhrif valkosta
Umfang áhrifa á vatnsvernd eru metin lítil, en áhrif eru minni í tilfelli leiðar A. Leið aðalvalkostar liggur að mestu meðfram stígum eða slóðum en búast má við raski á skógrækt. Umfang áhrifa valkosta á landnýtingu eru metin óveruleg. Aðalvalkostur felur í sér að fjarlæga línu og er því talin hafa jákvæðari áhrif á ferðaþjónustu og landslag í samanburði við valkost 2.
Niðurstaða valkostagreiningar
Skoðaðir hafa verið tveir valkostir við endurnýjun línunnar. Valkostur 1, sem er lagning loftlínuhlutans sem jarðstrengur, er í samræmi við stefnu stjórnvalda um lagningu raflína en endurnýjun línunnar sem ný loftlína er það ekki. Báðir valkostir uppfylla markmið framkvæmdarinnar sem er að minnka líkur á myndun flöskuhálsa í fæðingu höfuðborgarinnar og auka áreiðanleika afhendingar á svæðinu með sterkari tengingu. Einnig hefur verið metið hvernig valkostirnir uppfylla markmið raforkulaga og má sjá niðurstöður úr því mati á myndum 3-46 og 3-47.
Það er því niðurstaða valkostagreiningar að valkostur 1, sem er strenglagning loftlínuhluta Rauðvatnslínu 1, er sá valkostur sem best uppfyllir öll markmið og samræmist best stefnu stjórnvalda um uppbyggingu flutningskerfisins og lagningu raflína.
Húsavík - ný tenging
Uppruni og meginmarkmið verkefnis
Uppruni verkefnisins er endurnýjunaráætlun Landsnets, en núverandi tenging Húsavíkur við flutningskerfið er eitt af elstu mannvirkjum í eignastofni fyrirtækisins og hefur verið afskrifuð að fullu frá árinu 2009.Umfang verkefnis
Verkefnið snýr að uppsetningu á 11 kV aflrofum í tengivirkinu á Bakka.Rökstuðningur fyrir verkefni
TAFLA 3-130 : HÚSAVÍK – Rökstuðningur verkefnis
Tafla 3-130 sýnir niðurstöðu mats á því hvernig verkefnið uppfyllir markmið raforkulaga, samkvæmt mælikvarða sem hefur verið lýst, og mat á því hvort verkefnið sé í samræmi við stefnur stjórnvalda. Einnig inniheldur hún fjárhagslegar upplýsingar um verkefnið. Matinu er lýst nánar í töflum 3-132 og 3-133.
Lýsing á framkvæmd
Verkefnið felst í færslu á afhendingarstað Landsnets frá núverandi tengivirki á Húsavík yfir í nýtt tengivirki Landsnets að Bakka og að afhenda raforku á 11 kV spennu.
Tengivirki á Bakka
TAFLA 3-131 : Húsavík - Breytingar í tengivirki á bakka
Einlínumynd verkefnis
MYND 3-48 : Húsavík – Einlínumynd verkefnis
Fjárhagslegar upplýsingar um aðalvalkost
TAFLA 3-132 : Húsavík – Fjárhagslegar upplýsingar
Tímaáætlun
Gert er ráð fyrir að framkvæmdir hefjist á síðari hluta árs 2020 og að þeim ljúki ári seinna.
Markmið raforkulaga
MYND 3-49 : Húsavík – Uppfylling markmiða
Á Mynd 3-49 sést að framkvæmdin hefur verulega jákvæði áhrif á öryggi. Það er tilkomið vegna þess að hún leiðir beint af sér N-1 rekstur á Húsavík. Einnig eykst afhendingaröryggi á Húsavík sem leiðir til þess að framkvæmdin er metin hafa verulega jákvæð áhrif á markmið um áreiðanleiki afhendingar. Áhrif á gæði raforku eru metin óverulega jákvæð og er ástæða þess sú að spennusveiflur gætu haft áhrif á spennugæði á Húsavík. Hvað varðar markmið um skilvirkni eru áhrifin metin verulega jákvæð af þeirri ástæðu að ný mannvirki á Bakka, í grennd við Húsavík eru nýtt sem viðbót við núverandi flutningslínu. og auka þannig skilvirkni kerfisins.
Óvissa ríkir um hvaða áhrif rekstur kísilvers hefur á spennugæði á Bakka, en mælingar á spennugæðum standa yfir.
Áhrif framkvæmdar á flutningstöp
Til að meta áhrif framkvæmdarinnar á flutningstöp eru borin saman hlutfallsleg flutningstöp við núverandi fæðingu Húsavíkur og við nýja 11 kV fæðingu frá Bakka.
MYND 3-50 : Hlutfallsleg flutningstöp til Húsavíkur
Mynd 3-50 sýnir muninn á flutningstöpum til Húsavíkur og við fæðingu frá tengivirkinu á Bakka. Við 10 MW flutning eru töpin annars vegar 2,7% við núverandi 33 kV fæðingu, en myndu minnka í 2,1% við 11 kV fæðingu frá Bakka. Þetta er minnkun upp á 23%.
Áhrif framkvæmdar á afhendingaröryggi
Ekki er hægt að meta aukið afhendingaröryggi á Húsavík með sömu stuðlum og gert er fyrir línuframkvæmdir. Þó er ljóst að afhendingaröryggi mun aukast til muna, þar sem um verður að ræða N-1 afhendingu á Húsavík eftir að framkvæmdinni lýkur.
Samræmi við stefnu stjórnvalda línugerð
Stefna stjórnvalda um lagningu raflína á ekki við, þar sem einungis er um uppsetningu rofa í tengivirki að ræða.
Samræmi við almenn atriði í stefnu stjórnvalda
TAFLA 3-133 : Húsavík – samræmi við almenn atriði í stefnu
Einungis sex almenn atriði eiga við um framkvæmdina. Af þeim hafa fjögur verulega jákvæð áhrif, eitt jákvæð og eitt óveruleg. Af þessu má draga þá ályktun að framkvæmdin sé í fullu samræmi við stefnu stjórnvalda um uppbyggingu flutningskerfis.
Umhverfisáhrif framkvæmdar
Framkvæmd liggur um iðnaðarsvæði og síðan opið svæði. Raflínan fer ekki nærri íbúðabyggð, nema við tengivirkið í Húsavík. Engin verndarsvæði eru á línuleiðinni. Áhrifin eru verulega jákvæð á atvinnuuppbyggingu en óveruleg á aðra umhverfisþætti.
Fitjar - Stakkur - ný tenging
Verkefnið, sem áður hét Fitjalína 3, snýst um lagningu 132 kV jarðstrengs frá tengivirkinu Fitjum í Reykjanesbæ og að tengivirkinu Stakki í Helguvík. Tilgangur tengingarinnar er að bæta tengingu Stakks við meginflutningskerfið, m.a. vegna fyrirhugaðs kísilvers Thorsil í Helguvík
Uppruni verkefnis
Uppruni verkefnisins er tilkominn til að bæta flutningsgetu í svæðisbundna kerfinu á Suðurnesjum, m.a. vegna tengingar nýs notanda í Helguvík.
Upprunaleg afgreiðsla verkefnis
Verkefnið var upprunalega afgreitt í apríl 2016 með kerfisáætlun 2015-2024. Ekki hafa orðið neinar teljandi breytingar á umfangi verkefnisins frá þeim tíma.
Hluti af heildarkostnaði við verkefnið er tilkominn vegna niðurspenningar til notenda og mun sá hluti verða greiddur af notandanum í formi niðurspenningarálags. Í kerfisáætlun 2015-2024 var eingöngu tiltekinn sá framkvæmdakostnaður sem kemur til með að verða færður í eignastofn Landsnets, en niðurspenningarálag hefur ekki áhrif á tekjumörk. Í þessari áætlun er hins vegar gerð grein fyrir heildarframkvæmdakostnaði við verkefnið, en eingöngu sá hluti sem leggst við eignastofninn, um 800 milljónir, notaður í hagræna útreikninga, m.a. á þróun gjaldskrár og þjóðhagslegrar hagkvæmni.
Umfang verkefnis
TAFLA 3-134 : Fitjar – Umfang verkefnis
Rökstuðningur verkefnis
Sá valkostur sem best uppfyllir markmið raforkulaga og stefnu stjórnvalda um uppbyggingu flutningskerfis og stefnu um lagningu raflína hefur verið valinn sem framlagður valkostur í framkvæmdaáætlun.
TAFLA 3-135 : Fitjar – Rökstuðningur verkefnis
Tafla 3-135 sýnir niðurstöðu mats á því hvernig verkefnið uppfyllir markmið raforkulaga, samkvæmt mælikvarða sem lýst hefur verið, og mat á því hvort verkefnið sé í samræmi við stefnur stjórnvalda. Einnig inniheldur hún fjárhagslegar upplýsingar um verkefnið. Matinu er lýst nánar í töflum 3-139, 3-140 og 3-141.
Lýsing á framkvæmd
Hér á eftir fer lýsing á þeim búnaði sem felst í umfangi verkefnisins.
Raflína
TAFLA 3-136 : Fitjar – Lýsing framkvæmdar, raflína
Einlínumynd verkefnis
MYND 3-51 : Einlínumynd Stakkslínu 1
Mynd 3-51 sýnir einlínumynd af áætlaðri línu milli tengivirkjana Fitja og Stakks. Línan fylgir Fitjalínu 2.
Stakkur tengivirki – stækkun
TAFLA 3-137 : Fitjar – Lýsing framkvæmdar, Stakkur
Fitjar tengivirki - breyting
TAFLA 3-138 : Fitjar – Lýsing framkvæmdar, Fitjar
Búnaður til launaflsútjöfnunar
Ekki er þörf á launaflsútjöfnun vegna strenglagnarinnar.
Fjárhagslegar upplýsingar um verkefni
TAFLA 3-139 : Fitjar – Fjárhagslegar upplýsingar
Tafla 3-139 inniheldur fjárhagslegar upplýsingar um verkefnið. Þar sem verkefnið snýr að tengingu stórnotenda hefur það engin áhrif á gjaldskrá til dreifiveitna. Tengingu fylgir beint aukin flutningur sem stendur undir kostnaði af framkvæmdinni og er arður af fjárfestingunni reiknaður 7,59% miðað við að 27% af auknum flutningstekjum nýtist til að greiða niður framkvæmdina.
Tímaáætlun
Tímaáætlun gerir ráð fyrir að framkvæmdir hefjist í lok árs 2020 og að spennusetning fari fram vorið 2022.
Markmið raforkulaga
Framkvæmd var greining á því hvernig framlagðir valkostir uppfylla markmið raforkulaga.MYND 3-52 : Fitjar – Stakkur – ný tenging
Mynd 3-52 sýnir mat á því hvernig framkvæmdin uppfyllir markmið raforkulaga. Samkvæmt matinu hefur framkvæmdin jákvæð áhrif á öryggi og áreiðanleika afhendingar. Afhendingaröryggi í tengivirkinu í Stakki eykst frá því sem nú er og áreiðanleiki afhendingar í Helguvík eykst vegna tvöföldunar tengingar. Skilvirkni eykst þar sem aukning flutningsgetu til Helguvíkur eykur möguleika á atvinnuuppbyggingu í Helguvík en framkvæmdin hefur ekki teljandi áhrif á gæði raforku.
Áhrif framkvæmdar á flutningstöp
Framkvæmdin hefur ekki áhrif á flutningstöp.
Áhrif framkvæmdar á afhendingaröryggi
Framkvæmdin eykur afhendingaröryggi í Helguvík, þar sem um N-1 rekstur verður að ræða í Stakki.
Samræmi við stefnu stjórnvalda um línugerð
TAFLA 3-140 : Fitjar – Samræmi við stefnu um línugerð
Taflan sýnir hvernig framkvæmdin uppfyllir stefnu stjórnvalda um lagningu raflína. Kostnaður vegna lagningar sambærilegrar loftlínu er fenginn úr verðbanka Landsnets.
Samræmi við almenn atriði í stefnu stjórnvalda
TAFLA 3-141 : Fitjar – Samræmi við almenn atriði í stefnu
Framkvæmdin hefur verulega jákvæð áhrif á flest þau almennu atriði sem við eiga í stefnu um uppbyggingu flutningskerfisins.
Umhverfisáhrif framkvæmdar
Umhverfisáhrif línulagnarinnar eru óveruleg þar sem hún fylgir að öllu leyti núverandi línugötu Fitjalínu 2.
Færanlegar varaaflsstöðvar
All margir afhendingarstaðir Landsnets njóta ekki N-1 afhendingaröryggis. Færanlegar varaaflsstöðvar geta verið ákjósanleg bráðabirgðalausn fyrir þessa staði, þar til öruggari tenging hefur verið tryggð. Hugsunin með færanlegu varaafli er sú að það nýtist við langvarandi straumleysi, til dæmis vegna viðhalds í flutningskerfinu og/eða við langvarandi bilanir. Landsnet hefur greint hvar í kerfinu þurfi að vera tengimöguleikar fyrir færanlegt varaafl, hvar væri heppilegast að stöðvarnar yrðu að jafnaði geymdar og hver væri heppileg stærð þ.e. heildar stærð og stærðir eininga.
Tilurð og markmið verkefnis
Tilurð verkefnisins er vegna þarfar Landsnets á að geta farið í viðhald á línum sem fæða geislatengda afhendingarstaði, þ.e. staði sem njóta ekki N-1 afhendingaröryggis. Einnig er hugsunin að færanlegar varaaflsstöðvar komi að góðum notum í alvarlegum bilanatilvikum sem krefjast langs viðgerðartíma.
Umfang verkefnis
Verkefnið samanstendur af varaaflseiningum sem verða samtals um 12 MW í meðfærilegum einingum. Þær verða allar af sömu stærð og gerð að lágmarki 1 MW og að hámarki 2 MW hver eining en stærð hverrar einingar verður ákveðin í samráði við framleiðanda vélbúnaðar.
Rökstuðningur fyrir verkefni
TAFLA 3 142 : FÆRANLEGT VARAAFL – RÖKSTUÐNINGUR VERKEFNI
Lýsing á framkvæmd
Verkefnið felst í innkaupum ásamt aðstöðusköpun fyrir allt að 12 MW af færanlegu varaafli. í meðfærilegum einingum sem allar verði af sömu stærð og gerð að lágmarki 1 MW og að hámarki 2 MW hver eining en stærð hverrar einingar verður ákveðin í samráði við framleiðanda vélbúnaðar.
Skilyrði er að hægt verði að koma fyrir í sama gámi öllum vél- og rafbúnaði sem tilheyrir rafstöðinni ásamt hjálparkerfi, stjórnbúnaði, spenni, rafalarofa og olíugeymi sem rúmar olíu fyrir ca. sólarhringskeyrslu.
Gámarnir standa á tengivögnum á hjólum. Heildarþyngd, hæð og breidd rafstöðvargáms ásamt tengivagni skal vera innan þeirra marka sem kveðið er á um í Reglugerð 155/2007 um stærð og þyngd ökutækja. Þannig að ekki þurfi sérstaka akstursheimild eða lögreglufylgd þegar rafstöðvarnar eru fluttar á milli staða.
Varaaflstöðvar
TAFLA 3 143 : FÆRANLEGT VARAAFL – LÝSING FRAMKVÆMDAR
Fjárhagslegar upplýsingar um verkefni
TAFLA 3 144 : FÆRANLEGT VARAAFL – FJÁRHAGSLEGAR UPPLÝSINGAR
Tímaáætlun
Gert er ráð fyrir að innkaup fari fram á fyrri hluta ársins 2020 og að þeim ljúki fyrir sumarið. Spennusetning er áætluð í sumarið 2020.
Markmið raforkulaga
Framkvæmd var greining á því hvernig verkefnið uppfyllir markmið raforkulaga og er niðurstaðan sýnd á Mynd 3 53. Verkefnið hefur jákvæð áhrif á Öryggi, Áreiðanleika afhendingar og Skilvirkni þar sem það eykur afhendingaröryggi á geislatengdum afhendingar-stöðum. Einnig verður hægt að ráðast í viðhald á núverandi línum. Verkefnið hefur óveruleg áhrif á Gæði raforku og Hagkvæmni.Fjárhagsleg greining
Til þess að bera saman valkosti fjárhagslega þá var skoðaður ávinningurinn af því að fresta tvöföldun á nokkrum útvöldum flutningslínum sem eiga það sameiginlegt að vera eina tengingin á staðina sem þær tengja. Þetta eru línurnar Vegamótalína 1 (VE1) á Snæfellsnesi, Breiðadalslína 1 (BD1) á Vestfjörðum og Dalvíkurlína 1 (DA1) frá Akureyri út á Dalvík.MYND 3 54 : ÁVINNINGUR AF FRESTUN Á TVÖFÖLDUN VE1 (VE2), BD1 (BD2) OG DA1 (DA2)
Mynd 3 54 sýnir ávinning af því að fresta framkvæmdum við tvöföldun á línunum VE1, BD1 og DA1 ásamt kostnaði við innkaup á færanlegu varaafli. Eins og sést þá borgar varaaflið sig upp bara með því að fresta tvöföldun á VE1 (VE2) um 6 ár.
Áhrif framkvæmdar á flutningstöp
Framkvæmdin hefur ekki teljandi áhrif á flutningstöp í flutningskerfi raforku.
Samræmi við stefnu stjórnvalda um línutegund
Viðmið í stefnu stjórnvalda um línugerð eiga ekki við þar sem verkefnið inniheldur enga línulögn.
Samræmi við almenn atriði í stefnu stjórnvalda
Metið var hvernig framkvæmdin samræmist við almenn atriði sem tilgreind eru í stefnu stjórnvalda um uppbyggingu flutningskerfis.
TAFLA 3 145 : FÆRANLEGT VARAAFL – SAMRÆMI VIÐ ALMENN ATRIÐI Í STEFNU STJÓRNVALDA
Umhverfisáhrif framkvæmdar
Umhverfisáhrif vegna varaaflsstöðvanna felast að einhverju leyti í aukinni brennslu á jarðefnaeldsneyti og þar með losun gróðurhúsalofttegunda.

.png)
.png)



.png)
.png)






.png)
.png)




.png)


.png)
.png)


.png)


.png)
.png)


.png)
.png)

